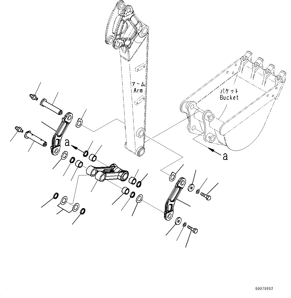
Запчасти Komatsu PC27MR-3 РУКОЯТЬ, СОЕДИНЕНИЕ КОВША (№9-) РУКОЯТЬ, MM

Схема запчастей Komatsu PC27MR-3 - РУКОЯТЬ, СОЕДИНЕНИЕ КОВША (№9-) РУКОЯТЬ, MM
3
12
2
12
11
2
3
1
3
8
2
7
3
12
4
9
2
3
3
10
7
8
9
11
10
6
5
6
FIT
1:1
100%

Артикул

Название

Примечание

Количество

|$0

22L-70-37310

Link Assembly

1

Link

2

22F-70-31630

Bushing

3

22L-70-21550

Seal, Dust

4

22L-70-27811

Link,L.H.

5

22L-70-27821

Link,R.H.

6

22L-70-27631

Pin

7

07020-00000

Fitting, Grease

8

20S-70-71270

Plate

9

01010-81635

Bolt

10

01643-31645

Washer

11

22L-70-21580

Spacer

12

20N-70-41270

Spacer, T=1.0mm

Выбрано товаров: 13