Качественные детали и логистика
Оригинальные и аналоговые запчасти с доставкой по России, Казахстану и Беларуси
©2022 PartSell ООО "Система" ИНН 2463123282 ОГРН 1212400004838
Центральный офис: г. Красноярск, Академика Киренского, д.87, пом.4
Телефон: 8 (800) 777-65-74 Email: zakaz@partsell.ru
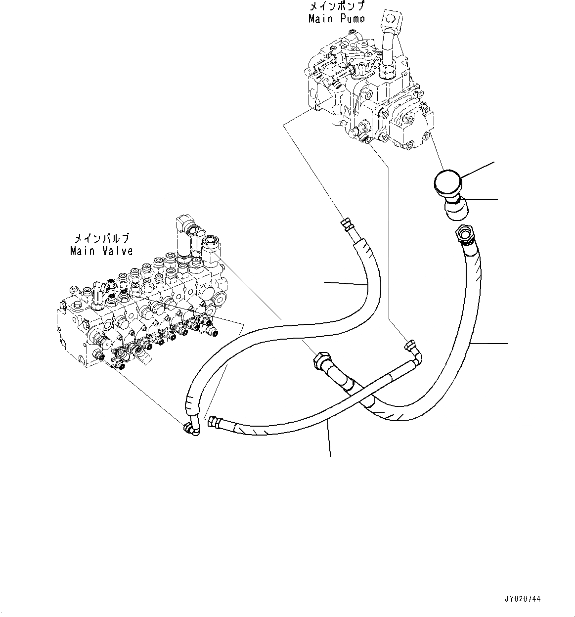
ПОДАЮЩ. ТРУБЫ (№9-)
№
Артикул
Название
Примечание
Количество
1
22L-62-22161
Hose
2
22L-62-39310
3
22L-62-39320
4
22F-62-32460
Band
5
22L-62-32720
Cover
Выбрано товаров: 0