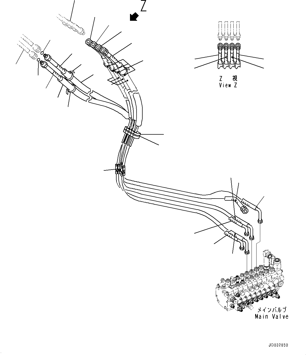
Запчасти Komatsu PC27MR-3 АКТУАТОР ТРУБЫ, СТРЕЛА, РУКОЯТЬ, ЦИЛИНДР КОВША (№9-) АКТУАТОР ТРУБЫ

Схема запчастей Komatsu PC27MR-3 - АКТУАТОР ТРУБЫ, СТРЕЛА, РУКОЯТЬ, ЦИЛИНДР КОВША (№9-) АКТУАТОР ТРУБЫ
5
3
1
2
3
7
2
1
4
6
13
4
5
6
7
6
7
4
5
8
9
11
12
11
12
10
12
14
15
FIT
1:1
100%

Артикул

Название

Примечание

Количество

1

22L-62-32912

Hose

2

22L-62-32922

Hose

3

02896-11009

O-ring

4

22L-62-32422

Hose

5

22L-62-32432

Hose

6

22L-62-32470

Hose

7

22L-62-32412

Hose

8

22L-62-23311

Cushion

9

08034-20536

Band

10

22F-62-32440

Cover

11

22L-62-32461

Cover

12

22F-62-32460

Band

13

08210-01207

Tube, Spiral

14

22L-62-23150

Tube

|$14

22L-62-23150

Tube

15

22L-62-33312

Hose

|$16

22L-62-33312

Hose

Выбрано товаров: 0