Запчасти Komatsu PC27MR-3 ДВИГАТЕЛЬ БЛОК, ВНУТР. ЧАСТИ, ОСНОВН. НАСОС (/) (№9-) ДВИГАТЕЛЬ БЛОК, ДЛЯ КАБИНА ROPS, КРОМЕ ЯПОН.

Схема запчастей Komatsu PC27MR-3 - ДВИГАТЕЛЬ БЛОК, ВНУТР. ЧАСТИ, ОСНОВН. НАСОС (/) (№9-) ДВИГАТЕЛЬ БЛОК, ДЛЯ КАБИНА ROPS, КРОМЕ ЯПОН.
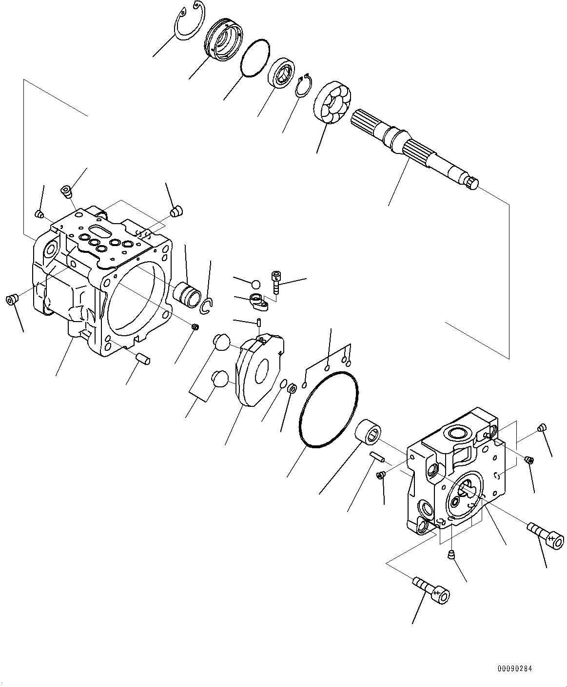
11
19
18
21
20
14
12
10
9
8
7
6
3
2
1
2
2
30
29
28
27
26
24
25
17
16
17
17
17
22
23
5
4
15
13
FIT
1:1
100%

Артикул

Название

Примечание

Количество

|$0

708-1S-00311

Pump

|$1

708-1S-01140

Pump Subassembly

|$2

Case Subassembly

1

Case

2

Plug

3

Plug

4

Sleeve

5

Ring

6

708-3S-13480

Cam, Rocker, Rocker

7

04260-01270

Ball

8

708-3S-14141

Spacer

9

708-1S-13420

Pin

10

01252-60616

Bolt, Hexagon Socket Head

11

708-1T-33432

Ball, Retainer

12

01252-61235

Bolt, Hexagon Socket Head

13

01252-61255

Bolt, Hexagon Socket Head

14

04020-01024

Pin, Dowel

15

708-3T-11310

Orifice

|$18

708-1S-04270

Cap Assembly

16

Cap, End, End

17

Plug

18

708-21-12760

Bearing

19

720-68-19610

Pin

20

O-ring

21

O-ring

22

Filter

23

O-ring

24

708-1S-12311

Shaft

25

708-3S-12210

Bearing

26

708-21-12840

Ring, Snap

27

708-3S-12140

Holder

28

207-09-11140

O-ring

29

708-3S-12150

Seal, Oil

30

04065-06220

Ring, Snap

Выбрано товаров: 34