Запчасти Komatsu PC27MR-3 ПРАВ. COVER, КРЫШКА(/) (№-) ПРАВ. COVER, ДЛЯ СИСТЕМА ROPS, КАБИНА ROPS

Схема запчастей Komatsu PC27MR-3 - ПРАВ. COVER, КРЫШКА(/) (№-) ПРАВ. COVER, ДЛЯ СИСТЕМА ROPS, КАБИНА ROPS
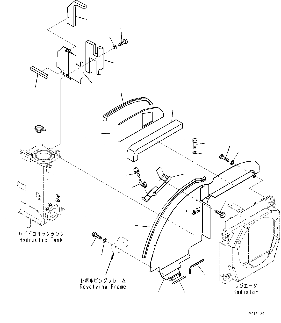
18
19
4
3
2
13
13
12
12
9
8
6
5
1
12
13
15
17
16
14
7
10
11
FIT
1:1
100%

Артикул

Название

Примечание

Количество

1

22F-54-36914

Cover

2

22F-54-36921

Bracket

3

203-54-63230

Clamp

4

01023-60614

Screw

5

01435-00812

Bolt

6

22L-54-21741

Seal

7

22L-54-21821

Seal

8

22L-54-21782

Sheet

9

22F-54-31640

Sheet

10

22F-54-31660

Garnish

11

22F-54-39990

Trim

12

01010-81020

Bolt

13

01643-31032

Washer

14

22F-54-31812

Cover

15

22F-54-31822

Sheet

16

22F-54-31830

Sheet

17

22F-54-31841

Sheet

18

01010-81016

Bolt

19

01643-31032

Washer

Выбрано товаров: 19