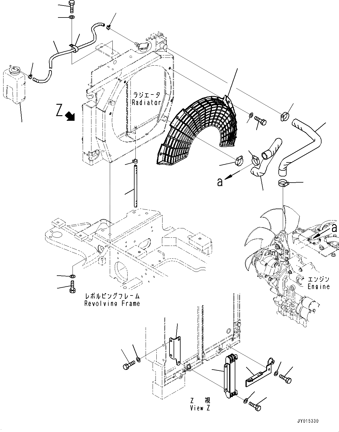
Запчасти Komatsu PC27MR-3 СИСТЕМА ОХЛАЖДЕНИЯ, СИСТЕМА ТРУБ РАДИАТОРА (№9-) СИСТЕМА ОХЛАЖДЕНИЯ, С КОНДИЦИОНЕРОМ

Схема запчастей Komatsu PC27MR-3 - СИСТЕМА ОХЛАЖДЕНИЯ, СИСТЕМА ТРУБ РАДИАТОРА (№9-) СИСТЕМА ОХЛАЖДЕНИЯ, С КОНДИЦИОНЕРОМ
19
21
22
10
15
16
12
22
20
20
11
23
14
13
17
18
9
4
1
7
2
3
8
6
5
27
24
25
26
FIT
1:1
100%

Артикул

Название

Примечание

Количество

1

22F-03-31151

Oil Cooler

2

01010-80820

Bolt

3

01643-30823

Washer

4

22F-03-31270

Bracket

5

01010-D0820

Bolt

6

01643-70823

Washer

7

22F-03-31281

Bracket

8

01010-80816

Bolt

9

01643-30823

Washer

10

22F-03-31260

Hose

11

07285-00115

Clip

12

04434-51208

Clip

13

01010-80812

Bolt

14

01643-30823

Washer

15

22L-03-21180

Hose

16

07285-00115

Clip

17

01010-81030

Bolt

18

01643-31032

Washer

19

22L-979-3730

Hose

20

22K-03-21450

Clamp

21

22L-03-27170

Hose

22

22K-03-21450

Clamp

23

07285-00115

Clip

24

22F-03-31251

Wire Net

25

01010-80820

Bolt

26

01643-30823

Washer

27

22J-03-25270

Tank Assembly, Reservoir

|$27

22J-03-25270

Tank Assembly, Reservoir

Выбрано товаров: 28