Запчасти Komatsu PC27MRX-1 ОСНОВН. КЛАПАН КОРПУС (ДЛЯ СЕВ. АМЕРИКИ) КАБИНА ОПЕРАТОРА И СИСТЕМА УПРАВЛЕНИЯ

Схема запчастей Komatsu PC27MRX-1 - ОСНОВН. КЛАПАН КОРПУС (ДЛЯ СЕВ. АМЕРИКИ) КАБИНА ОПЕРАТОРА И СИСТЕМА УПРАВЛЕНИЯ
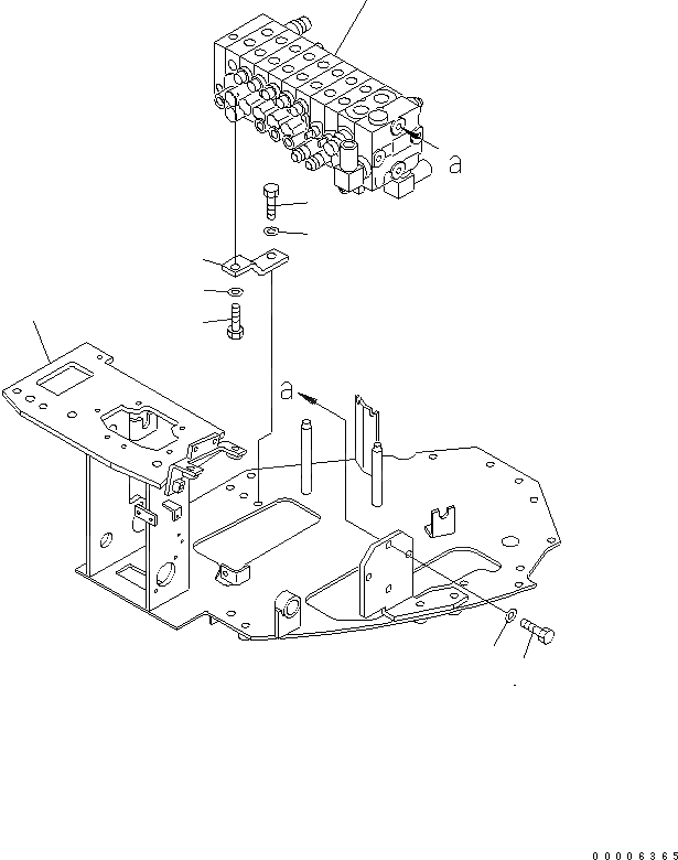
1
2
3
4
5
6
7
8
9
FIT
1:1
100%

Артикул

Название

Примечание

Количество

1

22L-43-18213

BRACKET

2

723-18-14901

CONTROL VALVE

2

723-18-14900

CONTROL VALVE

3

01010-81030

BOLT

4

01643-31032

WASHER

5

21U-62-32111

BRACKET

6

01010-80816

BOLT

7

01643-30823

WASHER

8

01010-81030

BOLT

9

01643-31032

WASHER

Выбрано товаров: 10