Запчасти Komatsu PC27MRX-1 КАПОТ (ДЛЯ КАБИНЫ) (ДЛЯ СЕВ. АМЕРИКИ) ЧАСТИ КОРПУСА

Схема запчастей Komatsu PC27MRX-1 - КАПОТ (ДЛЯ КАБИНЫ) (ДЛЯ СЕВ. АМЕРИКИ) ЧАСТИ КОРПУСА
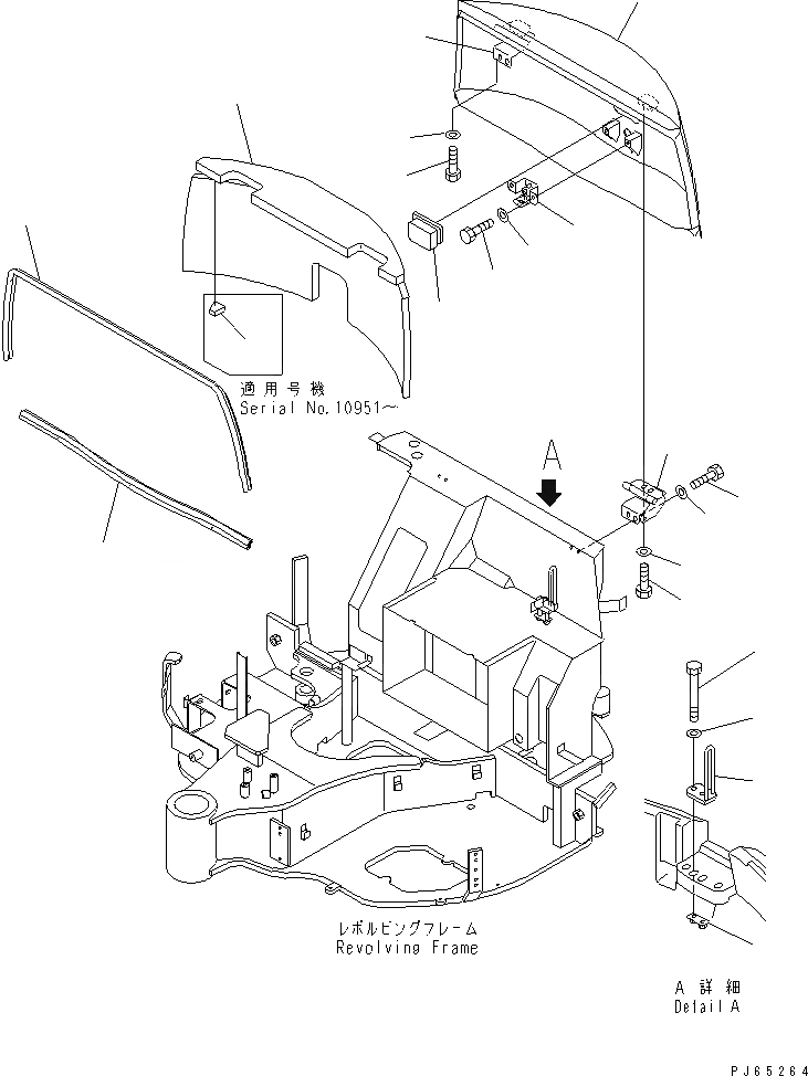
1
2
3
4
5
6
7
8
9
10
11
11
12
13
15
19
20
21
22
23
24
FIT
1:1
100%

Артикул

Название

Примечание

Количество

|$1

22L-54-18802

HOOD ASS'Y

|$2

22L-54-18801

HOOD ASS'Y

|$3

22L-54-18800

HOOD ASS'Y

1

21U-54-31111

HOOD

1

22L-54-18110

HOOD

2

22F-54-11740

SHEET

2

21U-54-31132

SHEET

3

21U-54-31151

SEAL

4

21U-54-31161

SEAL

5

22L-54-11131

LOCK ASS'Y

5

22L-54-11130

LOCK ASS'Y

6

01010-81016

BOLT

7

01643-31032

WASHER

8

22L-54-11120

CATCH

9

22F-54-11620

HINGE

9

21U-54-31813

HINGE

10

22F-54-11440

HINGE

10

21U-54-31823

HINGE

11

01010-81020

BOLT

12

01643-31032

WASHER

13

21U-54-21760

WASHER

15

21U-54-31290

SHEET

19

01010-81025

BOLT

20

01643-31032

WASHER

21

22F-54-11190

BRACKET

21

21U-54-31851

BRACKET

22

21U-54-31860

PLATE

23

01010-81065

BOLT

24

01643-31032

WASHER

Выбрано товаров: 29