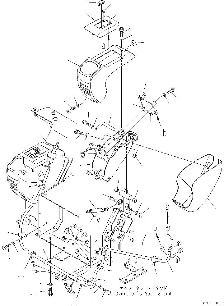
Запчасти Komatsu PC27MRX-1 ОСНОВАНИЕ КРЕСЛА (ЛЕВ. ПАНЕЛЬ КОРПУС) (ДЛЯ НАВЕСА) (ДЛЯ СЕВ. АМЕРИКИ) КАБИНА ОПЕРАТОРА И СИСТЕМА УПРАВЛЕНИЯ

Схема запчастей Komatsu PC27MRX-1 - ОСНОВАНИЕ КРЕСЛА (ЛЕВ. ПАНЕЛЬ КОРПУС) (ДЛЯ НАВЕСА) (ДЛЯ СЕВ. АМЕРИКИ) КАБИНА ОПЕРАТОРА И СИСТЕМА УПРАВЛЕНИЯ
1
2
3
4
5
5
5
6
6
6
7
8
9
10
11
12
13
14
14
15
15
16
17
18
19
19
20
21
22
23
24
25
26
27
27
27
28
29
29
30
30
31
32
33
33
33
33
33
FIT
1:1
100%

Артикул

Название

Примечание

Количество

1

22L-43-18112

BRACKET

2

21U-54-32112

COVER

3

20U-54-43240

COVER,L.H.

4

21U-54-32160

PLATE

5

20T-54-71550

BOLT

6

01643-70823

WASHER

7

09415-01610

CAP

8

21U-54-32132

COVER

9

20T-54-71340

COVER

10

20N-06-71350

CAP

11

205-06-71331

SWITCH

11

205-06-71650

KNOB

12

21U-43-32380

GAS SPRING

13

04205-10822

PIN

14

04050-12015

PIN,COTTER

15

01643-30823

WASHER

16

21U-43-32241

PIN

17

01010-80612

BOLT

18

01643-30623

WASHER

19

06124-01616

BEARING

20

21Y-06-11260

BUZZER ASS'Y

21

21Y-06-11270

PLATE

22

201-06-62160

BRACKET

23

01010-80620

BOLT

24

01643-30623

WASHER

25

22L-06-18213

WIRING HARNESS

26

20S-06-31130

STARTING SWITCH

27

04434-52208

CLIP

28

08035-03008

CLIP

29

01010-80816

BOLT

30

01643-30823

WASHER

31

01010-D0820

BOLT

32

01643-70823

WASHER

33

08034-30521

BAND

Выбрано товаров: 34