Запчасти Komatsu PC27R-8 ГИДРОЛИНИЯ (НАВЕСНОЕ ОБОРУД-Е) (ДЛЯ GRASS CUTTER СПЕЦ-Я.) (IN ОСНОВНАЯ РАМА) ГИДРАВЛИКА

Схема запчастей Komatsu PC27R-8 - ГИДРОЛИНИЯ (НАВЕСНОЕ ОБОРУД-Е) (ДЛЯ GRASS CUTTER СПЕЦ-Я.) (IN ОСНОВНАЯ РАМА) ГИДРАВЛИКА
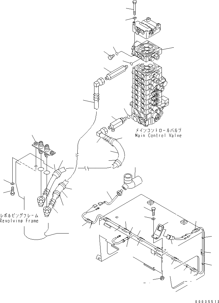
1
2
3
4
5
5
6
7
8
9
10
10
11
12
13
13
14
14
14
14
14
15
16
17
18
19
20
21
22
23
24
25
25
25
25
25
25
25
25
25
25
26
26
26
26
26
26
FIT
1:1
100%

Артикул

Название

Примечание

Количество

1

723-11-00082

VALVE SUB ASS'Y

2

01010-80885

BOLT

3

01643-50823

WASHER

4

21U-973-2270

NIPPLE

5

07002-11823

O-RING

6

07040-11812

PLUG

7

20P-973-8323

JOINT

8

01010-81020

BOLT

9

01643-31032

WASHER

10

20P-973-8531

HOSE

11

20P-973-8342

HOSE

12

202-98-11360

BUSHING

13

21U-970-2760

BUSHING

14

08034-20536

BAND

15

20P-973-8350

TEE

16

07002-11823

O-RING

17

20P-880-1920

ELBOW

18

20P-880-1930

THERMO SWITCH

19

20P-880-1940

WIRING HARNESS

19

20P-880-1970

CONNEECTOR

20

20P-880-1950

LAMP

21

20P-880-1960

BRACKET

22

01010-80620

BOLT

23

01643-30623

WASHER

24

01580-10605

NUT

25

08051-00801

CLIP

26

08034-20536

BAND

Выбрано товаров: 27