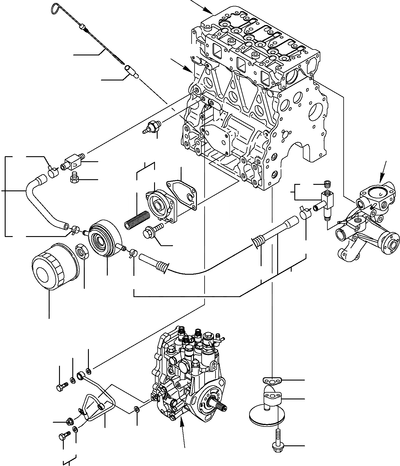
Запчасти Komatsu PC27R-8 СМАЗЫВ. НАСОС ДВИГАТЕЛЬ

Схема запчастей Komatsu PC27R-8 - СМАЗЫВ. НАСОС ДВИГАТЕЛЬ
1
2
9
28
20
25
23
21
26
39
22
27
37
30
36
35
32
31
18
34
19
24
16
16
10
3
4
17
15
11
8
14
13
12
A
B
C
D
FIT
1:1
100%

Артикул

Название

Примечание

Количество

\0

871070061

ENGINE, ASSY.

1

YM119802-34801

DIPSTICK, OIL LEVEL

2

YM121520-34810

GUIDE

3

YM129150-35041

GASKET

4

YM119810-35300

INTAKE OIL FILTER

8

YM26106-080352

BOLT

9

YM114250-39450

OIL PRESSURE TRANSMITTER

10

YM124160-39140

SCREW

11

YM119802-39450

PIPE

12

YM129005-59830

BOLT, ASSY.

13

YM23857-030000

BOLT

14

YM22190-080002

GASKET

15

YM22190-080002

GASKET

16

YM22190-100002

GASKET

17

YM26366-060002

NUT

18

YM129508-33010

OIL COOLER

19

YM129417-33110

NUT

20

YM129006-35100

BRACKET ASSY, FILTER

21

YM119802-35110

BRACKET, FILTER

22

YM129417-35150

STUD

23

YM129150-35111

GASKET

24

YM129150-35153

FILTER

25

YM129006-44480

JOINT

26

YM171056-49120

PLUG

27

YM129508-49030

PIPE

28

YM171008-03990

CLAMP

30

YM23080-015000

CLAMP

31

YM129006-49040

PIPE

32

YM123951-03330

PROTECTION, PIPE

34

YM23080-015000

CLAMP

35

YM23080-018000

CLAMP

36

YM26106-080202

BOLT

37

YM119940-49310

SWIVEL JOINT, ASSY.

39

YM23875-030000

PLUG

Выбрано товаров: 0