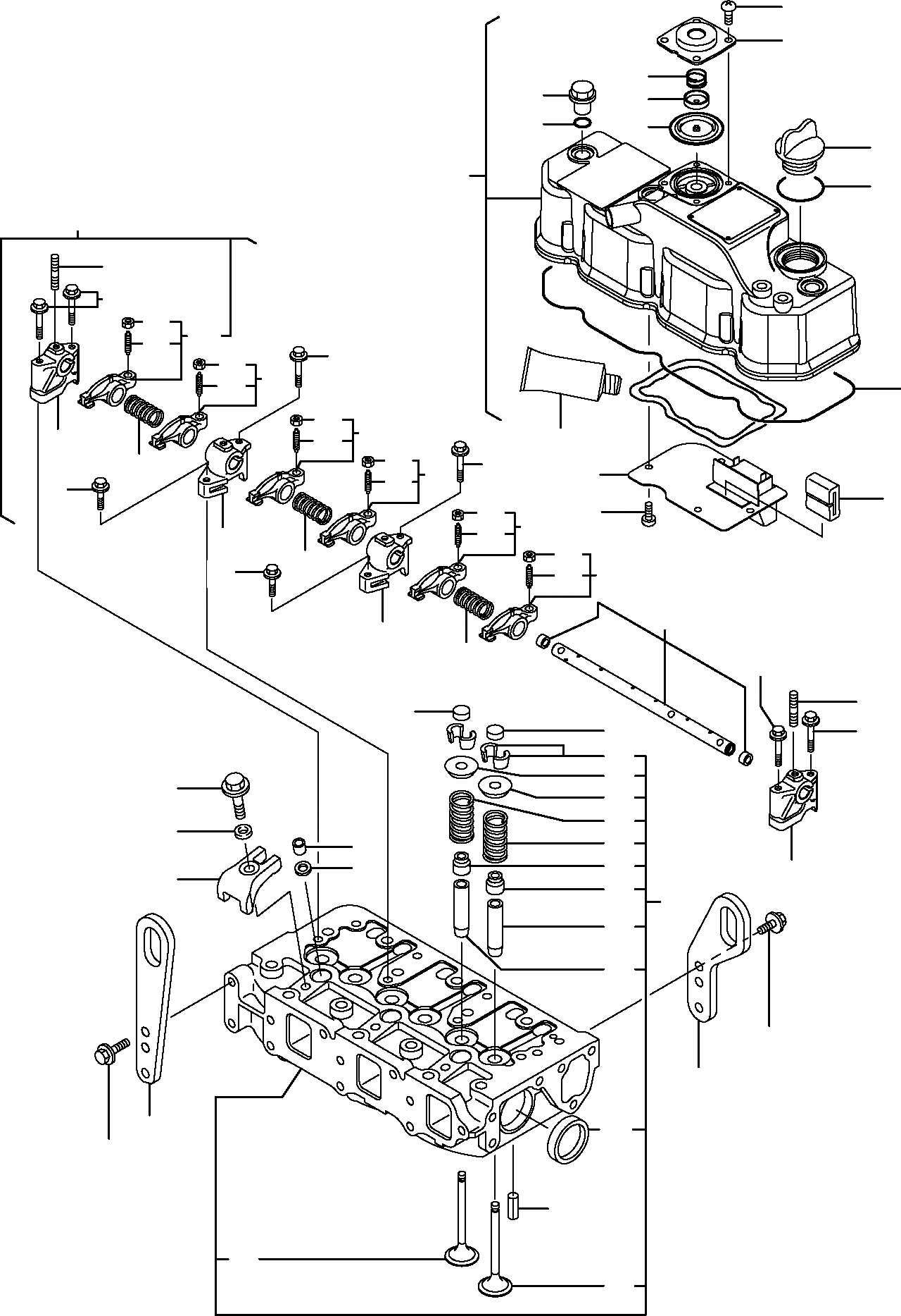
Запчасти Komatsu PC27R-8 ГОЛОВКА ЦИЛИНДРОВ ДВИГАТЕЛЬ

Схема запчастей Komatsu PC27R-8 - ГОЛОВКА ЦИЛИНДРОВ ДВИГАТЕЛЬ
51
13
13
44
46
52
43
53
45
39
40
54
3
8
38
10
11
38
13
10
11
49
13
10
11
58
6
38
9
41
10
11
36
42
13
50
10
11
7
13
9
36
11
10
4
7
9
38
8
14
14
38
30
27
37
27
26
34
26
55
28
32
6
33
29
15
19
21
2
56
23
1
57
35
25
24
FIT
1:1
100%

Артикул

Название

Примечание

Количество

\0

871070061

ENGINE, ASSY.

1

YM129900-07900

LIFTER, ENGINE

2

YM26106-080142

BOLT

3

YM119802-11241

ROCKER SHAFT, ASSY.

4

YM119802-11251

ROCKER SHAFT

6

YM119802-11260

SUPPORT

7

YM119802-11270

SUPPORT

8

YM119802-11280

STUD

9

YM129150-11280

SPRING

10

YM119802-11650

ARM ASSY, ROCKER

11

YM129150-11230

SCREW

13

YM129150-11750

NUT

14

YM104211-11370

CAP VALVE

15

YM119802-11700

HEAD ASSY, CYLINDER

19

YM124060-11800

GUIDE VALVE

21

YM119802-11810

GUIDE VALVE

23

YM27241-400000

PLUG

24

YM119802-11100

VALVE, SUCTION

25

YM119802-11110

VALVE, EXHAUST

26

YM119810-11120

SPRING, VALVE

27

YM104211-11180

RETAINER, SPRING

28

YM124160-11340

SEAL, VALVE STEM

29

YM124950-11340

SEAL, VALVE EXHAUST

30

YM27310-070001

COTTER

32

YM119625-11880

SEAT, NOZZLE

33

YM119802-11900

RETAINER

34

YM120270-54410

WASHER

35

YM22351-060012

SPRING PIN

36

YM26106-080252

SCREW

37

YM26106-080452

BOLT

38

YM26106-080502

BOLT

39

YM124160-01751

PLUG

40

YM119802-11350

BONNET ASSY., HEAD

41

YM119802-03010

PLATE

42

YM129150-03070

SPLASH-GUARD

43

YM119802-03110

PLATE, DIAPHRAGM

44

YM119802-03120

COVER, DIAPHRAGM

45

YM119802-03130

DIAPHRAGM

46

YM119802-03140

SPRING, DIAPHRAGM

49

YM119802-11310

GASKET, BONNET

50

YM22857-500100

SCREW

51

YM22857-500100

SCREW

52

YM124160-11360

PLUG

53

YM24311-000120

O-RING

54

YM24311-000320

O-RING

55

YM119802-11870

PROTECTION, NOZZLE

56

YM129486-07901

LIFTER, ENGINE

57

YM26106-080162

BOLT

58

YM977770-01212

GASKET, LIQUID

Выбрано товаров: 49