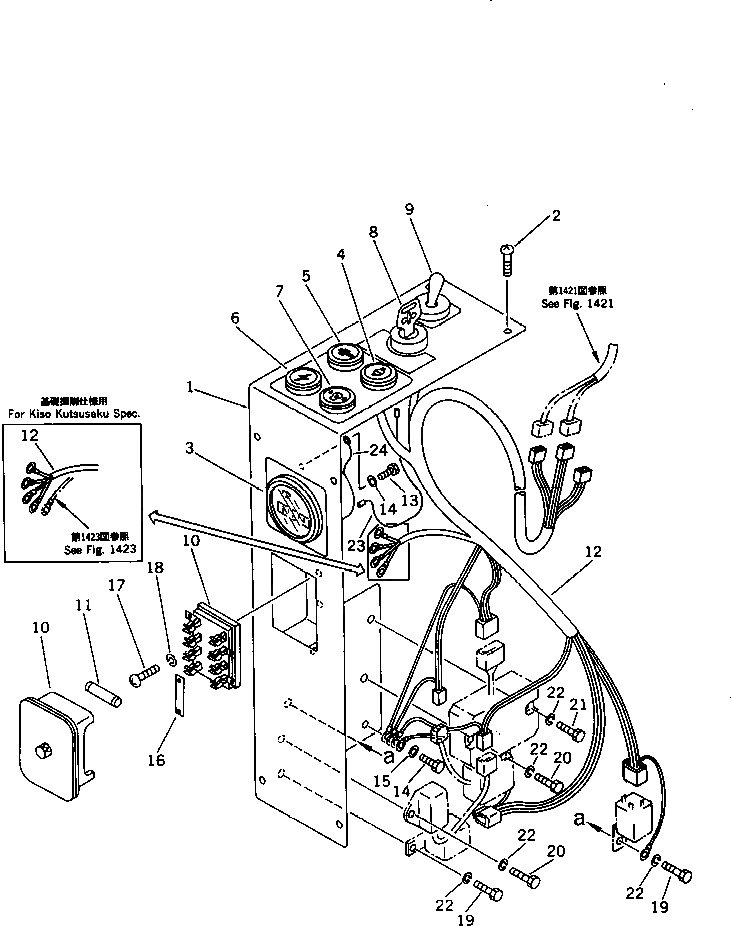
Запчасти Komatsu PC28UU-1 ПАНЕЛЬ ПРИБОРОВ (ДЛЯ НАВЕСА) КОМПОНЕНТЫ ДВИГАТЕЛЯ И ЭЛЕКТРИКА

Схема запчастей Komatsu PC28UU-1 - ПАНЕЛЬ ПРИБОРОВ (ДЛЯ НАВЕСА) КОМПОНЕНТЫ ДВИГАТЕЛЯ И ЭЛЕКТРИКА
FIT
1:1
100%

Артикул

Название

Примечание

Количество

1

21U-06-11115

PANEL

1

21U-06-11111

PANEL

2

20N-06-41130

SCREW

3

20N-06-41580

METER,SERVICE

3

08687-21203

METER,SERVICE

4

08147-41212

LAMP,WATER TEMPERATURE

4

08111-01230

BULB, 4W

5

20S-06-14130

LAMP,ENGINE AIR HEATER

5

08111-01230

BULB, 4W

6

10E-06-22150

LAMP,BATTERY CHARGE

6

08111-01230

BULB, 4W

7

10E-06-22140

LAMP,OIL PRESSURE

7

08111-01230

BULB, 4W

8

20S-06-31130

STARTING SWITCH,STARTING

8

08086-20000

SWITCH,STARTING

9

20N-06-11120

SWITCH,WORK LAMP

10

20C-06-11150

BOX,FUSE

10

20R-06-22210

BOX,FUSE

11

08040-02000

FUSE, 20A

12

21U-06-11215

WIRE ASS'Y

12

21U-06-11211

WIRE ASS'Y

13

01010-50610

BOLT

14

01010-50616

BOLT

15

01643-30623

WASHER

16

150-06-14290

TERMINAL

17

01220-40520

SCREW

18

01601-20513

WASHER,SPRING

19

01010-50612

BOLT

19

01010-50612

BOLT

20

01010-50616

BOLT

21

01010-50626

BOLT

22

01602-20619

WASHER,SPRING

22

01602-20619

WASHER,SPRING

23

20C-06-11280

CABLE

24

20C-06-11290

CABLE

Выбрано товаров: 35