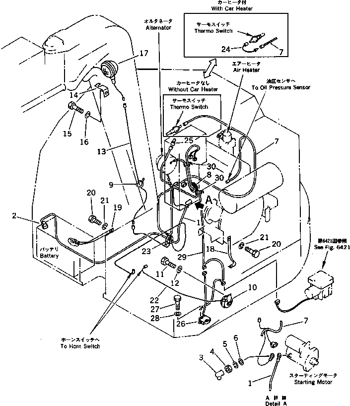
Запчасти Komatsu PC28UU-1 ЭЛЕКТРИКА (ШАССИ) (KISO KUTSСШАKU СПЕЦ-Я.)(№-) КОМПОНЕНТЫ ДВИГАТЕЛЯ И ЭЛЕКТРИКА

Схема запчастей Komatsu PC28UU-1 - ЭЛЕКТРИКА (ШАССИ) (KISO KUTSСШАKU СПЕЦ-Я.)(№-) КОМПОНЕНТЫ ДВИГАТЕЛЯ И ЭЛЕКТРИКА
FIT
1:1
100%

Артикул

Название

Примечание

Количество

1

21U-06-11315

WIRE

2

08036-32009

CAP

3

08038-02027

CAP

4

01580-10806

NUT

5

01602-20825

WASHER,SPRING

6

01640-20816

WASHER

7

21U-06-11225

WIRE ASS'Y

8

08037-05016

GROMMET

9

08034-00310

BAND

10

20N-06-41590

HORN

11

01010-50816

BOLT

12

01602-20825

WASHER,SPRING

13

20N-06-22150

WIRE ASS'Y

14

20N-06-11222

BRACKET

15

01010-51225

BOLT

16

01602-21236

WASHER,SPRING

17

08125-01200

LAMP ASS'Y

17

08107-01260

BULB, 60W

17

08125-00006

LENS

18

20N-06-41330

WIRE

19

21U-06-11320

WIRE

20

01010-51020

BOLT

21

01602-21030

WASHER,SPRING

22

21U-06-11230

WIRE

23

08034-00536

BAND

24

21U-06-17170

WIRE,(WITH CAR HEATER)

25

203-06-57241

FUSIBLE LINK

26

203-06-56210

SWITCH

27

01010-50825

BOLT

28

01602-20825

WASHER,SPRING

29

21U-06-14110

WIRE

30

08034-00536

BAND

Выбрано товаров: 32