Запчасти Komatsu PC28UU-1 ГИДР. НАСОС. (/)(№-) УПРАВЛ-Е РАБОЧИМ ОБОРУДОВАНИЕМ

Схема запчастей Komatsu PC28UU-1 - ГИДР. НАСОС. (/)(№-) УПРАВЛ-Е РАБОЧИМ ОБОРУДОВАНИЕМ
FIT
1:1
100%

Артикул

Название

Примечание

Количество

|$0

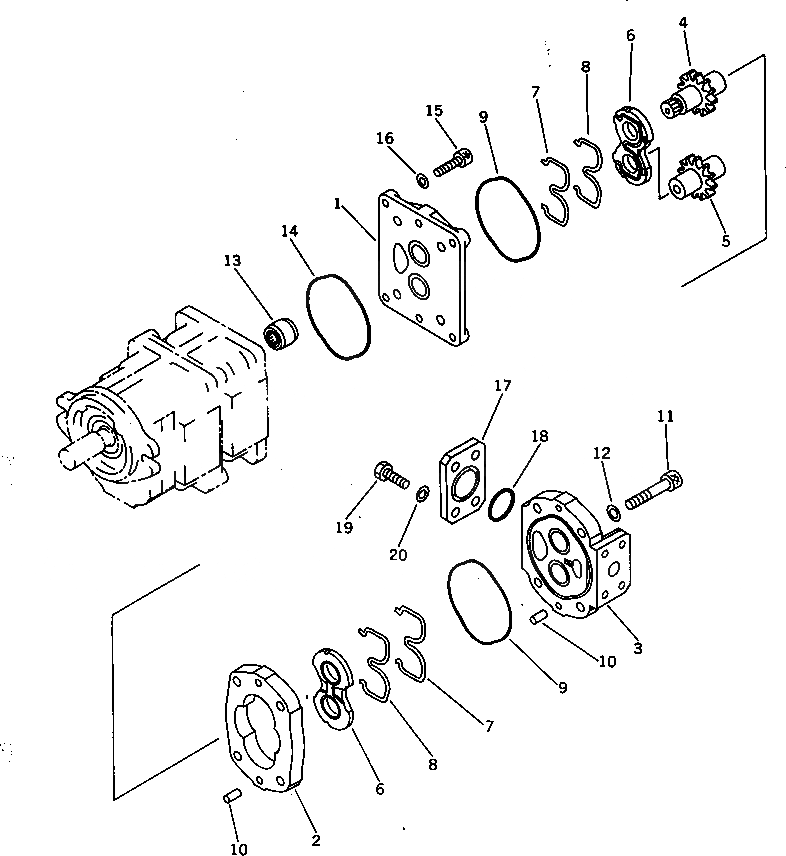
705-86-14080

PUMP ASS'Y,(LBR10+10+8)

|$2

705-72-20530

PUMP ASS'Y,(LBR8)

1

705-67-01510

BRACKET ASS'Y

1

705-67-01350

BUSHING,PLANE

2

705-67-20110

CASE,GEAR

3

705-68-01110

COVER

3

705-67-01350

BUSHING,PLANE

4

705-67-20450

GEAR,DRIVE

5

705-67-20510

GEAR,DRIVEN

6

705-67-01610

PLATE,SIDE

7

705-67-01440

RING,BACK-UP

8

705-17-01470

SEAL,RING

9

705-17-01381

O-RING

10

04020-00820

PIN,DOWEL

11

01252-31060

BOLT

12

01643-51032

WASHER

12

01602-21030

WASHER,SPRING

13

705-67-01330

COUPLING ASS'Y

14

705-17-01381

O-RING

15

01252-30830

BOLT

16

01643-50823

WASHER

16

01602-20825

WASHER,SPRING

17

705-17-01880

PLATE

18

07000-03032

O-RING

19

01010-51025

BOLT

20

01643-51032

WASHER

20

01602-21030

WASHER,SPRING

Выбрано товаров: 0