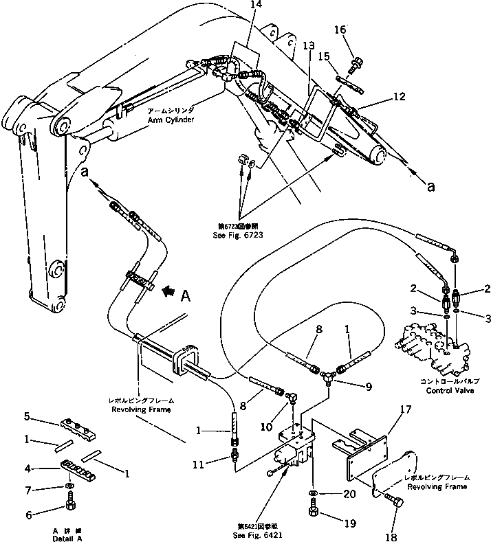
Запчасти Komatsu PC28UU-1 ГИДРОЛИНИЯ (ЦИЛИНДР РУКОЯТИ) (KISO KUTSСШАKU СПЕЦ-Я.)(№-) УПРАВЛ-Е РАБОЧИМ ОБОРУДОВАНИЕМ

Схема запчастей Komatsu PC28UU-1 - ГИДРОЛИНИЯ (ЦИЛИНДР РУКОЯТИ) (KISO KUTSСШАKU СПЕЦ-Я.)(№-) УПРАВЛ-Е РАБОЧИМ ОБОРУДОВАНИЕМ
FIT
1:1
100%

Артикул

Название

Примечание

Количество

1

21U-62-12530

HOSE

2

20M-62-32730

NIPPLE

3

07002-11823

O-RING

4

21U-62-12571

CLAMP

5

21U-62-12561

CLAMP

6

01010-50650

BOLT

7

01643-30623

WASHER

8

21U-62-12810

HOSE

9

140-850-7221

ELBOW

10

21R-60-11130

ELBOW

11

07238-10315

CONNECTOR

12

21U-62-14130

TUBE

13

21U-62-14140

TUBE

14

20N-62-43560

HOSE

15

20N-62-43590

CLAMP

16

01435-00825

BOLT

17

21U-62-14240

PLATE

18

01435-01020

BOLT

19

01010-50850

BOLT

20

01643-30823

WASHER

Выбрано товаров: 20