Качественные детали и логистика
Оригинальные и аналоговые запчасти с доставкой по России, Казахстану и Беларуси
©2022 PartSell ООО "Система" ИНН 2463123282 ОГРН 1212400004838
Центральный офис: г. Красноярск, Академика Киренского, д.87, пом.4
Телефон: 8 (800) 777-65-74 Email: zakaz@partsell.ru
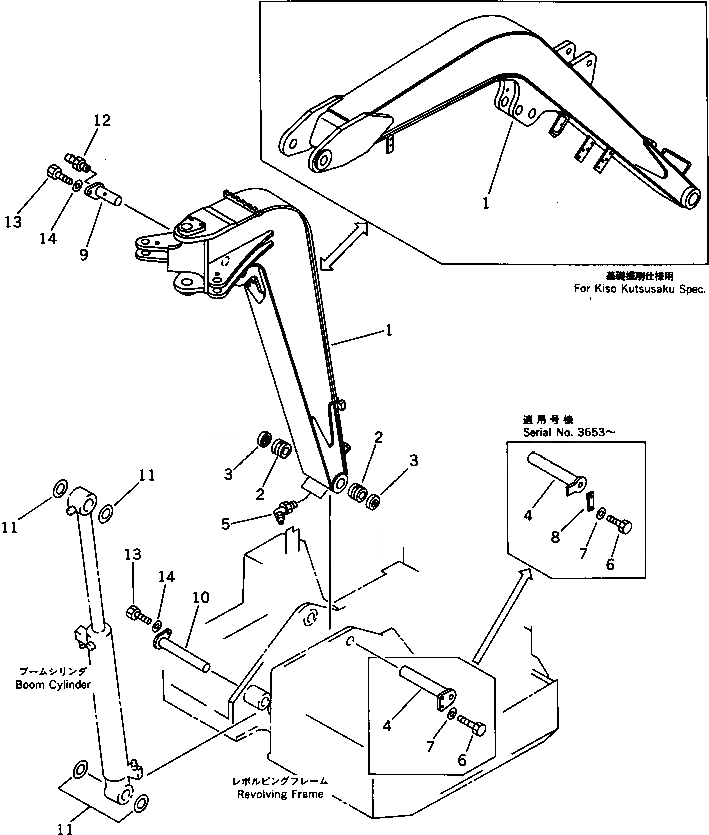
1-Я СТРЕЛА
№
Артикул
Название
Примечание
Количество
1
21U-70-00010
BOOM ASS'Y,1ST
|1
BOOM,1ST
21U-942-1110
BOOM,(KISO KUTSUSAKU SPEC.)
2
20C-70-11140
BUSHING
|2
07144-10404
3
07145-00040
SEAL,DUST
4
21U-70-11155
PIN
|4
21U-70-11150
5
07020-00675
FITTING,GREASE
6
01010-51225
BOLT
7
01643-31232
WASHER
8
20R-70-11250
PLATE
9
21U-70-11170
10
21U-70-11180
11
21U-70-11740
SPACER¤ 1.0MM
|11
20R-70-11260
12
07020-00000
13
14
Выбрано товаров: 0