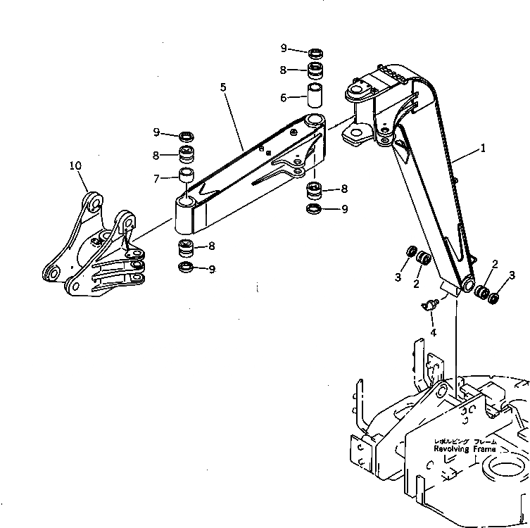
Запчасти Komatsu PC28UU-2 СТРЕЛА (/)(№7-8) РАБОЧЕЕ ОБОРУДОВАНИЕ

Схема запчастей Komatsu PC28UU-2 - СТРЕЛА (/)(№7-8) РАБОЧЕЕ ОБОРУДОВАНИЕ
FIT
1:1
100%

Артикул

Название

Примечание

Количество

|$0

21U-70-21100

BOOM ASS'Y,1ST

1

BOOM

2

20C-70-11140

BUSHING

3

07145-00040

SEAL,DUST

4

07020-00675

FITTING,GREASE

|$5

21U-70-21200

BOOM ASS'Y,2ND

5

21U-70-21210

BOOM

6

21U-60-21230

COLLAR

7

21U-70-21240

COLLAR

8

21U-70-21220

BUSHING

9

07145-00055

SEAL,DUST

10

21U-70-21321

BOOM,3RD

Выбрано товаров: 0