Запчасти Komatsu PC28UU-2 ПЕДАЛЬ УПРАВЛ-Я РАБОЧ. ОБОРУД. (ДЛЯ МОЛОТА И -ACTUATER НАВЕСН. ОБОРУД) КАБИНА ОПЕРАТОРА И СИСТЕМА УПРАВЛЕНИЯ

Схема запчастей Komatsu PC28UU-2 - ПЕДАЛЬ УПРАВЛ-Я РАБОЧ. ОБОРУД. (ДЛЯ МОЛОТА И -ACTUATER НАВЕСН. ОБОРУД) КАБИНА ОПЕРАТОРА И СИСТЕМА УПРАВЛЕНИЯ
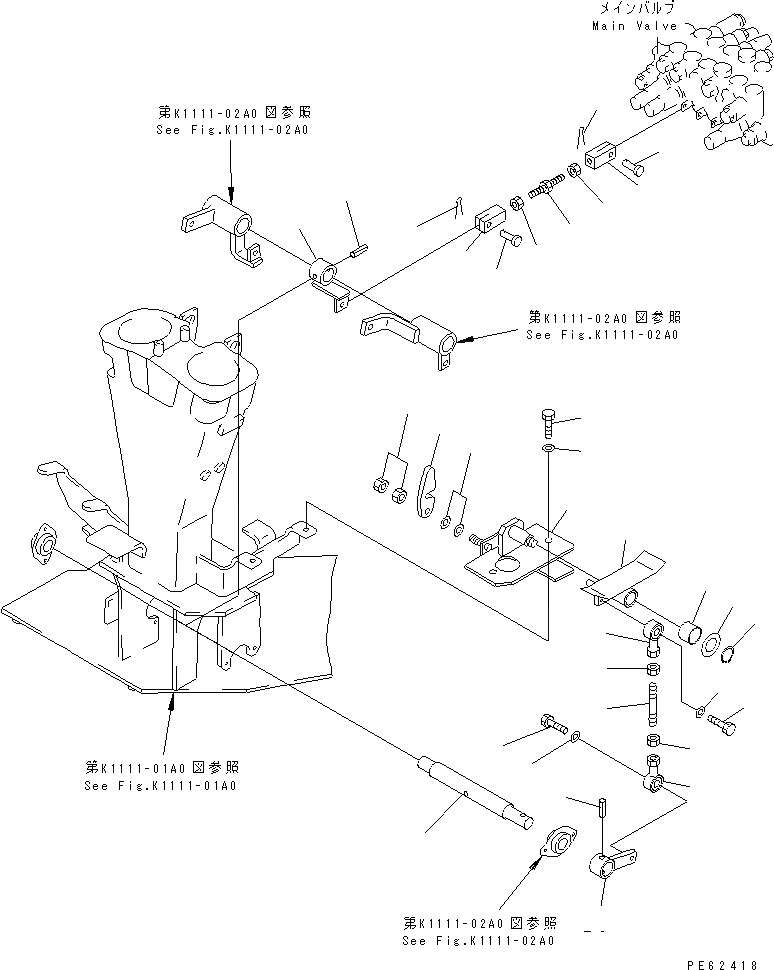
1
2
3
4
5
6
7
8
9
10
11
12
13
14
15
16
17
18
19
20
21
22
23
24
24
25
25
26
26
27
27
28
29
FIT
1:1
100%

Артикул

Название

Примечание

Количество

1

21U-973-2140

SHAFT

2

21U-973-2150

LEVER

3

04025-00640

PIN,SPRING

4

20L-44-18140

ROD

5

20C-43-11320

YOKE

6

04205-10520

PIN

7

04050-11210

PIN,COTTER

8

01580-10806

NUT

9

04220-20832

YOKE,L.H. THREAD

10

04205-10822

PIN

11

04050-12015

PIN,COTTER

12

01508-40805

NUT,L.H. THREAD

13

21U-973-2110

BRACKET

14

20C-43-11751

LOCK

15

20C-43-11760

WASHER

16

01580-11008

NUT

17

21U-973-2120

PEDAL

18

09350-02020

BUSHING

19

01643-31445

WASHER

20

04064-01410

RING,SNAP

21

01010-51020

BOLT

22

01643-31032

WASHER

23

04245-41017

ROD

24

01582-11008

NUT

25

04250-81056

END,ROD

26

01010-51030

BOLT

27

04254-11032

SPACER

28

21U-973-2131

LEVER

29

04025-00632

PIN,SPRING

Выбрано товаров: 0