Запчасти Komatsu PC28UU-3 БОКОВ. КРЫШКА (ЛЕВ.) (ДЛЯ НАВЕСА) ЧАСТИ КОРПУСА

Схема запчастей Komatsu PC28UU-3 - БОКОВ. КРЫШКА (ЛЕВ.) (ДЛЯ НАВЕСА) ЧАСТИ КОРПУСА
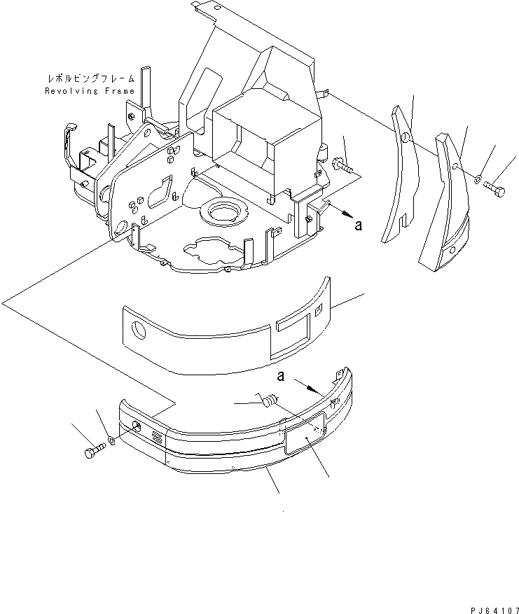
1
1A
2
3
4
5
6
7
8
9
10
FIT
1:1
100%

Артикул

Название

Примечание

Количество

|1

21U-54-31201

COVER ASS'Y,L.H.

1

21U-54-31213

COVER

|1

21U-54-31230

HINGE

|1

FF8733-54240

STOPPER

1A

21U-54-31570

COVER ASS'Y

2

21U-54-31221

SHEET

3

09467-00002

SPRING

4

01010-81025

BOLT

5

01643-31032

WASHER

6

01435-01020

BOLT

|7

21U-54-31301

COVER ASS'Y,L.H.

7

21U-54-31312

COVER

8

21U-54-31321

SHEET

9

01010-81025

BOLT

10

21U-54-21760

WASHER

Выбрано товаров: 0