Запчасти Komatsu PC28UU-3 КОМПОНЕНТЫ ДВИГАТЕЛЯ КОМПОНЕНТЫ ДВИГАТЕЛЯ

Схема запчастей Komatsu PC28UU-3 - КОМПОНЕНТЫ ДВИГАТЕЛЯ КОМПОНЕНТЫ ДВИГАТЕЛЯ
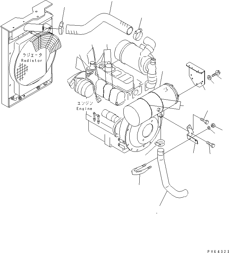
1
2
2
3
4
5
5
6
7
8
9
10
11
12
12
13
14
15
16
FIT
1:1
100%

Артикул

Название

Примечание

Количество

1

21U-01-31313

HOSE

2

07280-06429

CLAMP

3

21U-01-32210

PIPE,EXHAUST

4

21U-01-32222

BRACKET

|4

21U-01-32220

BRACKET

5

01010-81030

BOLT

6

07283-24346

CLIP

7

01583-11006

NUT

8

01643-31032

WASHER

9

YM121120-13590

CLAMP ASS'Y

10

21U-01-31391

SHEET

11

21U-01-32160

SHEET

12

FF7817-02420

WIRE

13

7861-92-3320

SENSOR

14

21X-01-21410

COVER

15

01435-00820

BOLT

16

6201-81-6560

SPACER

Выбрано товаров: 17