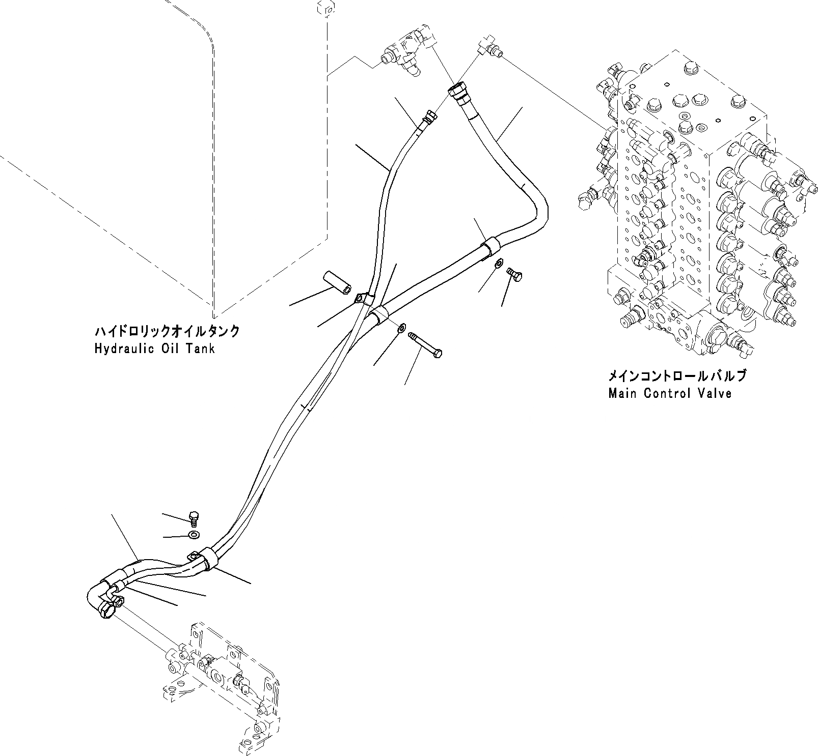
Запчасти Komatsu PC290-8K СТРЕЛА HOLDING КЛАПАН КОНТУР (/)(№-) ГИДРАВЛИКА

Схема запчастей Komatsu PC290-8K - СТРЕЛА HOLDING КЛАПАН КОНТУР (/)(№-) ГИДРАВЛИКА
4
5
7
7
8
11
10
12
3
3
1
1
2
2
9
13
6
FIT
1:1
100%

Артикул

Название

Примечание

Количество

1

02761-00215

Hose

2

02763-00520

Hose

3

20Y-62-22860

Band, Brown

4

281-01-13180

Clip

5

01010-81225

Bolt

6

01643-31232

Washer

7

04434-52512

Clip

8

01010-81225

Bolt

9

01643-31232

Washer

10

04434-51212

Clip

11

175-61-17240

Collar

12

01010-81285

Bolt

13

01643-31232

Washer

Выбрано товаров: 0