Запчасти Komatsu PC290-8K АКТУАТОР КОНТУР, ДОПОЛН. (/)(№-) ГИДРАВЛИКА

Схема запчастей Komatsu PC290-8K - АКТУАТОР КОНТУР, ДОПОЛН. (/)(№-) ГИДРАВЛИКА
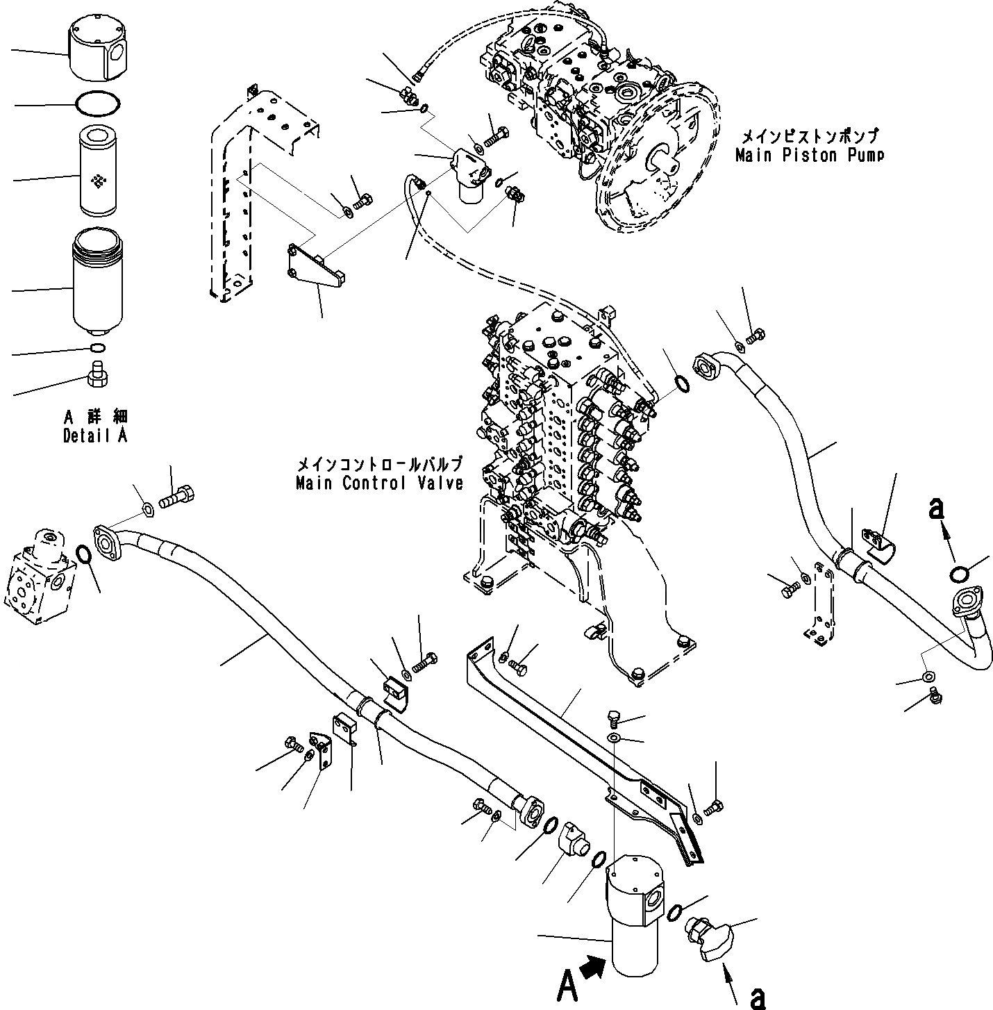
6
5
4
3
2
1
42
48
49
41
43
44
45
46
47
46
45
34
35
36
37
38
39
40
33
32
31
32
17
16
15
14
13
12
11
10
9
1
47
30
29
28
27
26
25
24
21
20
19
18
8
7
24
19
23
22
FIT
1:1
100%

Артикул

Название

Примечание

Количество

|1

20Y-970-2700

Filter

1

DUMMY-2700-01

Head

2

DUMMY-2700-02

Case

3

DUMMY-2700-03

Plug

4

20Y-970-1820

Filter

5

07000-12014

O-ring

6

07000-12115

O-ring

7

20Y-62-43351

Flange

8

07002-14234

O-ring

9

20Y-62-43361

Elbow

10

07002-14234

O-ring

11

01010-81230

Bolt

12

01643-31232

Washer

13

20Y-62-51280NK

Frame

14

01010-81225

Bolt

15

01643-31232

Washer

16

01010-81230

Bolt

17

01643-31232

Washer

18

20Y-62-43311

Hose

19

07000-13038

O-ring

20

01010-81035

Bolt

21

01643-31032

Washer

22

01010-81035

Bolt

23

01643-31032

Washer

24

07094-11024

Clamp

25

07095-01038

Cushion

26

01010-81280

Bolt

27

01643-31232

Washer

28

20Y-62-43320NK

Bracket

29

01010-81225

Bolt

30

01643-31232

Washer

31

20Y-62-51321

Hose

32

07000-13038

O-ring

33

01010-81035

Bolt

34

01643-31032

Washer

35

01010-81040

Bolt

36

01643-31032

Washer

37

07095-01241

Cushion

38

21K-62-72810SG

Clamp

39

01010-81225

Bolt

40

01643-31232

Washer

41

20Y-62-51681

Filter Assembly

42

01572-21019

Seat, Welded

43

01010-81075

Bolt

44

01643-31032

Washer

45

02782-10214

Elbow

46

07002-12034

O-ring

47

02896-11008

O-ring

48

01010-81225

Bolt

49

01643-31232

Washer

Выбрано товаров: 50