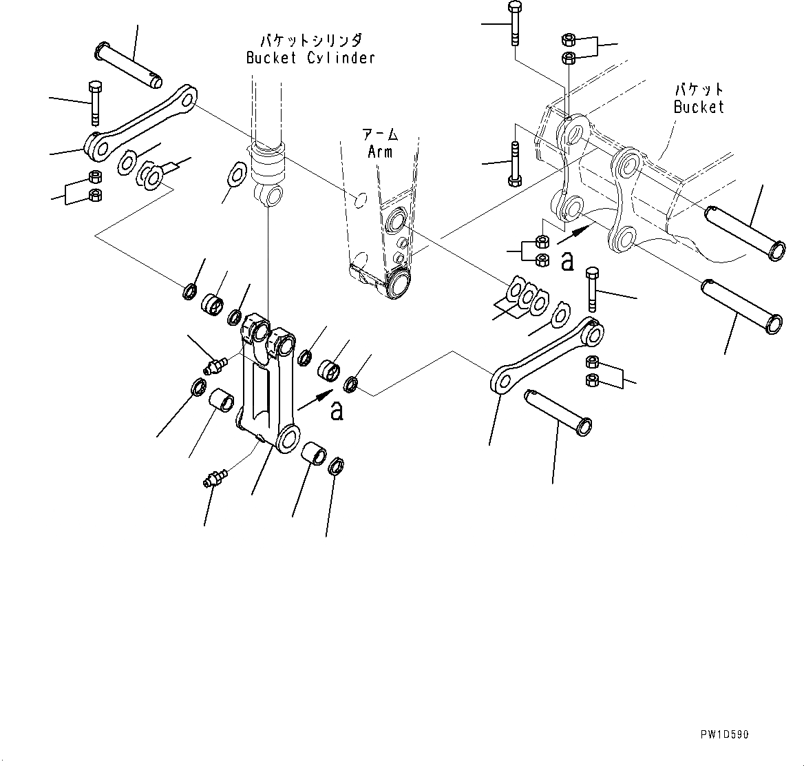
Запчасти Komatsu PC290LC-10 РУКОЯТЬ, MM, ПАТРУБКИ ЦИЛИНДРА КОВША РУКОЯТЬ, MM

Схема запчастей Komatsu PC290LC-10 - РУКОЯТЬ, MM, ПАТРУБКИ ЦИЛИНДРА КОВША РУКОЯТЬ, MM
2
5
7
8
4
4
8
7
2
1
6
3
FIT
1:1
100%

Артикул

Название

Примечание

Количество

1

206-943-3110

Hose

2

07000-13032

O-Ring

3

206-943-7210

Hose

4

07000-13025

O-Ring

5

07371-30640

Flange, Split

6

07371-31049

Flange, Split

7

07372-21035

Bolt

8

01643-51032

Washer

Выбрано товаров: 8