Запчасти Komatsu PC290LC-10 РУКОЯТЬ И КОВШ ТРУБЫ (№-) РУКОЯТЬ И КОВШ ТРУБЫ

Схема запчастей Komatsu PC290LC-10 - РУКОЯТЬ И КОВШ ТРУБЫ (№-) РУКОЯТЬ И КОВШ ТРУБЫ
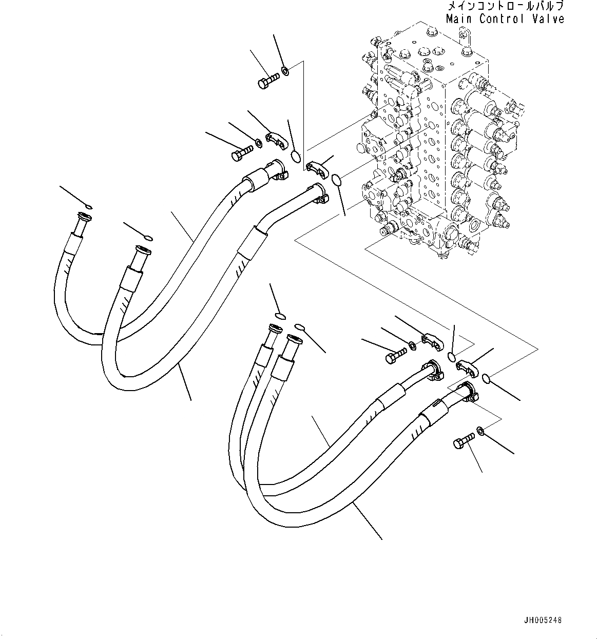
1
2
3
4
5
6
7
8
9
10
11
12
13
14
15
16
17
18
19
20
21
22
2
13
FIT
1:1
100%

Артикул

Название

Примечание

Количество

1

206-62-36171

Hose

2

07000-13032

O-ring

3

07371-31049

Flange, Split

4

07372-21035

Bolt

5

01643-51032

Washer

6

2A5-62-14211

Hose

7

07000-13025

O-ring

8

07000-13032

O-ring

9

07371-31049

Flange, Split

10

07372-21035

Bolt

11

01643-51032

Washer

12

2A5-62-12821

Hose

13

07000-13032

O-ring

14

07371-31049

Flange, Split

15

07372-21035

Bolt

16

01643-51032

Washer

17

206-62-36231

Hose

18

07000-13025

O-ring

19

07000-13032

O-ring

20

07371-31049

Flange, Split

21

07372-21035

Bolt

22

01643-51032

Washer

Выбрано товаров: 22