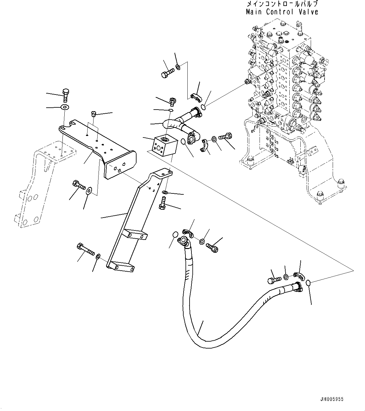
Запчасти Komatsu PC290LC-10 НАВЕСН. ОБОРУД ТРУБЫ, ОСНОВН. ТРУБЫ, ЛЕВ. (№-) НАВЕСН. ОБОРУД ТРУБЫ

Схема запчастей Komatsu PC290LC-10 - НАВЕСН. ОБОРУД ТРУБЫ, ОСНОВН. ТРУБЫ, ЛЕВ. (№-) НАВЕСН. ОБОРУД ТРУБЫ
13
14
4
28
27
25
26
28
27
1
15
12
11
18
19
17
16
16
8
10
9
23
24
22
21
20
6
7
5
21
2
3
FIT
1:1
100%

Артикул

Название

Примечание

Количество

1

20Y-62-51580

Block

2

01010-81240

Bolt

3

01643-31232

Washer

4

206-62-36181

Bracket

5

07371-31049

Flange, Split

6

07372-21035

Bolt

7

01643-51032

Washer

8

07371-31049

Flange, Split

9

07372-21035

Bolt

10

01643-51032

Washer

11

07040-12412

Plug

12

07002-12434

O-ring

13

01010-81285

Bolt

14

01643-31232

Washer

15

07098-01007

Hose, Flange Type

16

07000-13032

O-ring

17

07371-31049

Flange, Split

18

07372-21035

Bolt

19

01643-51032

Washer

20

07099-21017

Hose, Flange Type

21

07000-13032

O-ring

22

07371-31049

Flange, Split

23

07372-21035

Bolt

24

01643-51032

Washer

25

2A5-62-12752

Bracket

26

07049-01215

Plug

27

01010-81235

Bolt

28

175-54-34170

Washer

Выбрано товаров: 28