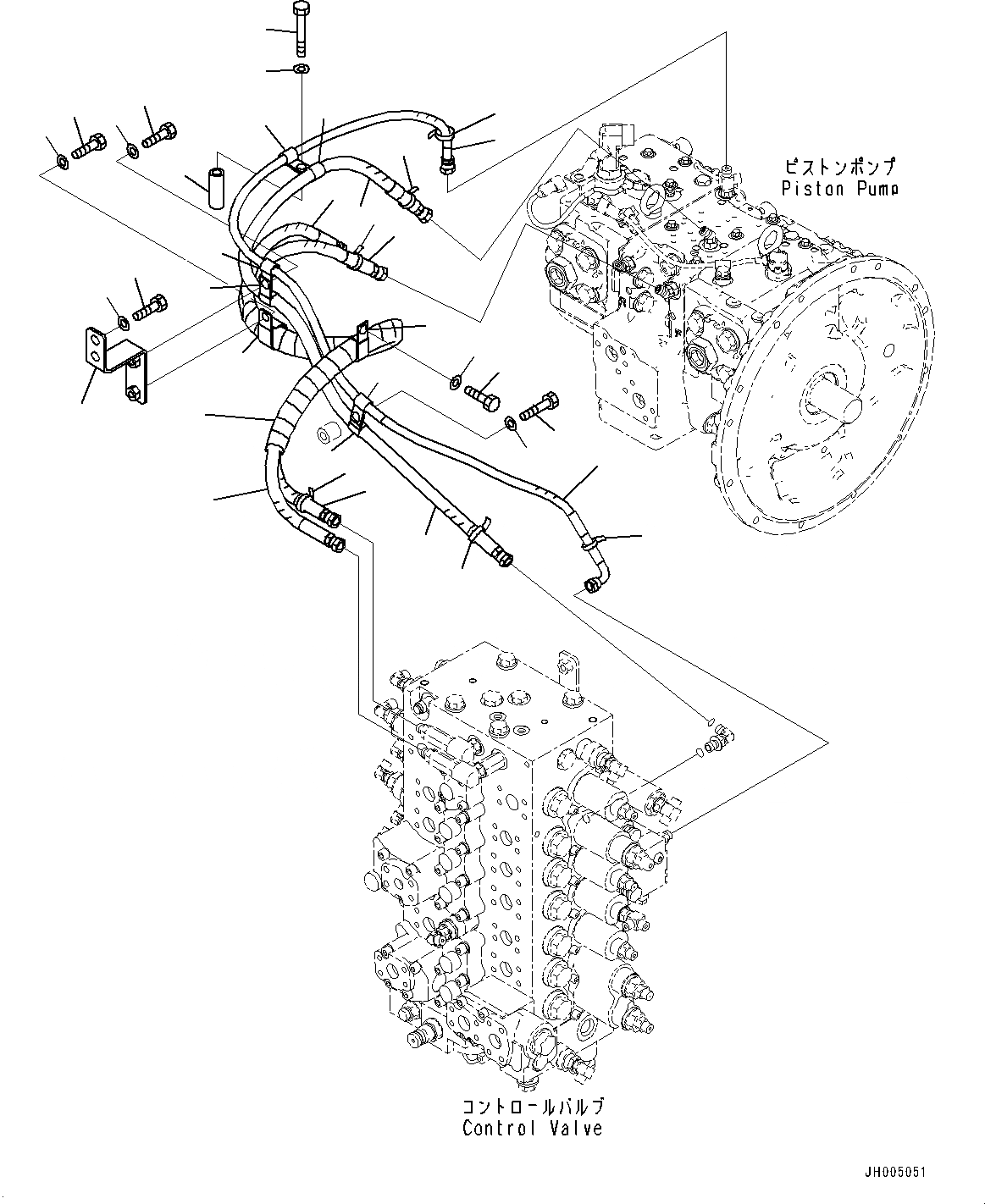
Запчасти Komatsu PC290LC-10 LS ТРУБЫ (№-) LS ТРУБЫ

Схема запчастей Komatsu PC290LC-10 - LS ТРУБЫ (№-) LS ТРУБЫ
1
6
3
3
4
4
5
5
2
7
7
8
9
10
11
12
13
15
14
16
19
20
23
22
17
18
21
24
25
26
27
28
30
29
2
6
8
FIT
1:1
100%

Артикул

Название

Примечание

Количество

1

2A5-62-11912

Hose Assembly

2

20Y-62-22790

Band, Red

3

20Y-62-53670

Hose

4

2A5-62-13422

Hose

5

2A5-62-13412

Hose

6

20Y-62-22820

Band, Blue

7

2A5-62-13772

Hose Assembly

8

20Y-62-22810

Band, Yellow

9

04435-51712

Clip

10

01010-81225

Bolt

11

01643-31232

Washer

12

04434-51212

Clip

13

04434-51512

Clip

14

01010-81225

Bolt

15

01643-31232

Washer

16

2A5-62-11931

Bracket

17

04434-51512

Clip

18

04434-51212

Clip

19

01010-81225

Bolt

20

01643-31232

Washer

21

142-06-13540

Clip

22

01010-81225

Bolt

23

01643-31232

Washer

24

01010-81225

Bolt

25

01643-31232

Washer

26

04434-51212

Clip

27

04434-51512

Clip

28

175-61-17240

Collar

29

01010-81285

Bolt

30

01643-31232

Washer

Выбрано товаров: 30