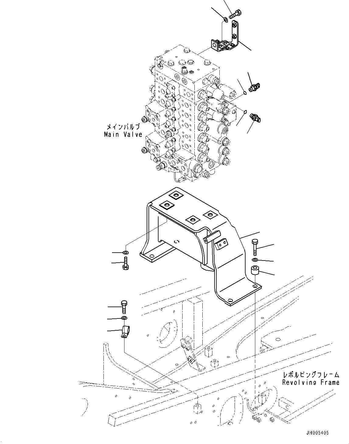
Запчасти Komatsu PC290LC-10 УПРАВЛЯЮЩ. КЛАПАН, КРЕПЛЕНИЕ (№-) УПРАВЛЯЮЩ. КЛАПАН

Схема запчастей Komatsu PC290LC-10 - УПРАВЛЯЮЩ. КЛАПАН, КРЕПЛЕНИЕ (№-) УПРАВЛЯЮЩ. КЛАПАН
3
2
1
5
4
6
10
11
9
7
8
7
13
14
12
8
FIT
1:1
100%

Артикул

Название

Примечание

Количество

1

206-62-36291

Bracket

2

01010-81670

Bolt

3

01643-31645

Washer

4

01010-81645

Bolt

5

01643-31645

Washer

6

176-54-11760

Spacer

7

7861-93-1812

Sensor, Pressure

8

07002-61823

O-ring

9

142-06-13540

Clip

10

01010-81230

Bolt

11

01643-31232

Washer

12

2A5-62-12541

Bracket

13

01010-81635

Bolt

14

01643-31645

Washer

Выбрано товаров: 14