Запчасти Komatsu PC290LC-10 C- ЗАЩИТА ВЕНТИЛЯТОРА СИСТЕМА ОХЛАЖДЕНИЯ

Схема запчастей Komatsu PC290LC-10 - C- ЗАЩИТА ВЕНТИЛЯТОРА СИСТЕМА ОХЛАЖДЕНИЯ
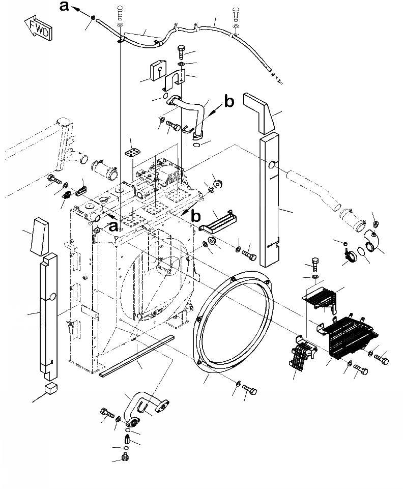
1
2
3
4
5
6
7
8
9
37
40
41
13
14
15
16
21
20
22
23
38
49
50
51
25
24
26
27
28
36
43
44
18
17
42
17
18
47
48
45
46
52
39
10
11
12
16
19
32
19
33
34
35
29
30
31
FIT
1:1
100%

Артикул

Название

Примечание

Количество

1

2A5-03-11831

GUARD

2

01010-81020

BOLT

3

01643-31032

WASHER

4

2A5-03-11842

GUARD

5

01010-81020

BOLT

6

01643-31032

WASHER

7

2A5-03-11852

BRACKET

8

01010-81020

BOLT

9

01643-31032

WASHER

10

206-03-31391

TUBE

11

01010-81245

BOLT

12

01643-31232

WASHER

13

2A5-03-11681

TUBE

14

01010-81245

BOLT

15

01643-31232

WASHER

16

07283-34346

CLIP

17

01643-31032

WASHER

18

01597-01009

NUT

19

07000-13045

O-RING

20

07040-11409

PLUG

21

07002-11423

O-RING

22

20Y-60-22210

BODY

23

07002-11423

O-RING

24

6738-11-4320

PIPE

25

07043-70108

PLUG

26

6738-11-4370

O-RING

27

6738-11-4380

CLAMP

28

6738-11-4390

NUT

29

2A5-03-12111

HOSE

30

04434-51612

CLIP

31

11Y-09-11140

CLIP

|$31

2A5-03-11791

COVER

32

NSS

COVER

33

2A5-03-11780

SHEET

34

01010-81020

BOLT

35

01643-31032

WASHER

36

2A5-03-11861

SHEET

37

2A5-03-11870

SHEET

38

2A5-03-11881

SHEET

39

2A5-03-11891

SHEET

40

2A5-03-11920

SHEET

41

2A5-03-11930

SHEET

42

206-03-31470

STEP

43

01010-81030

BOLT

44

01643-31032

WASHER

45

20Y-979-6191

SENSOR

46

20Y-979-6271

BRACKET

47

01010-80616

BOLT

48

01643-30623

WASHER

49

22U-03-31170

SHROUD

50

01010-81030

BOLT

51

203-54-56970

WASHER

52

21T-00-31710

PLATE

Выбрано товаров: 53