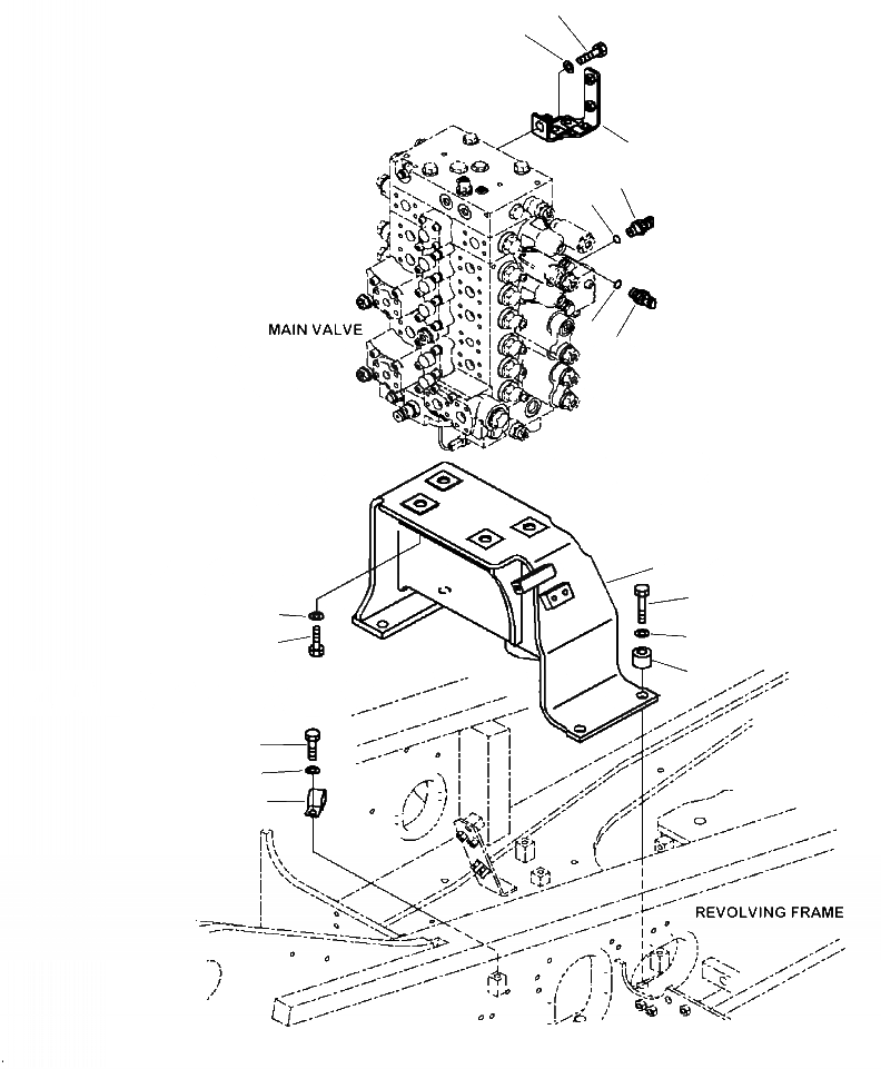
Запчасти Komatsu PC290LC-10 H- ОСНОВН. УПРАВЛЯЮЩ. КЛАПАН КОРПУС КРЕПЛЕНИЯ ГИДРАВЛИКА

Схема запчастей Komatsu PC290LC-10 - H- ОСНОВН. УПРАВЛЯЮЩ. КЛАПАН КОРПУС КРЕПЛЕНИЯ ГИДРАВЛИКА
1
2
3
4
5
6
7
8
7
8
9
10
11
12
13
14
FIT
1:1
100%

Артикул

Название

Примечание

Количество

1

206-62-36291

BRACKET

2

01010-81670

BOLT

3

01643-31645

WASHER

4

01010-81645

BOLT

5

01643-31645

WASHER

6

176-54-11760

SPACER

7

7861-93-1812

SENSOR, PRESSURE

8

07002-61823

O-RING

9

142-06-13540

CLIP

10

01010-81230

BOLT

11

01643-31232

WASHER

12

2A5-62-12541

BRACKET

13

01010-81635

BOLT

14

01643-31645

WASHER

Выбрано товаров: 14