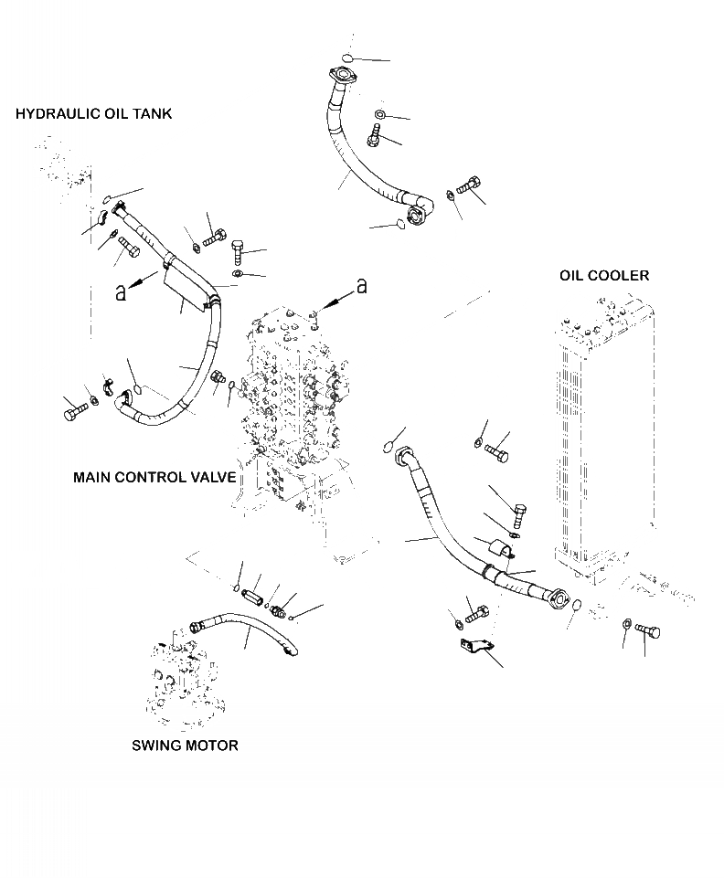
Запчасти Komatsu PC290LC-10 H- ГИДРОЛИНИЯ МАСЛООХЛАДИТЕЛЬ ВОЗВРАТНАЯ ЛИНИЯС ДОПОЛН. АКТУАТОР ГИДРАВЛИКА

Схема запчастей Komatsu PC290LC-10 - H- ГИДРОЛИНИЯ МАСЛООХЛАДИТЕЛЬ ВОЗВРАТНАЯ ЛИНИЯС ДОПОЛН. АКТУАТОР ГИДРАВЛИКА
1
2
3
4
8
9
7
10
5
6
2
19
20
21
11
12
13
14
15
16
23
27
26
24
25
22
23
34
35
34
35
29
30
31
32
33
18
17
28
29
30
31
32
FIT
1:1
100%

Артикул

Название

Примечание

Количество

1

2A5-62-11722

HOSE

2

07000-13048

O-RING

3

01010-81240

BOLT

4

01643-31232

WASHER

5

01010-81245

BOLT

6

01643-31232

WASHER

7

22U-62-21551

CLAMP

8

01010-81230

BOLT

9

01643-31232

WASHER

10

07095-01245

CUSHION

11

203-62-61410

JOINT

12

07002-12434

O-RING

13

02783-10628

ELBOW

14

07002-12434

O-RING

15

02896-11018

O-RING

16

02753-006A7

HOSE

17

07040-12412

PLUG

18

07002-12434

O-RING

19

2A5-62-11731

BRACKET

20

01010-81230

BOLT

21

01643-31232

WASHER

22

2A5-62-11682

HOSE

23

07000-13048

O-RING

24

01010-81240

BOLT

25

01643-31232

WASHER

26

01010-81235

BOLT

27

01643-31232

WASHER

28

2A5-62-11692

HOSE

29

07000-13032

O-RING

30

07371-31049

FLANGE, SPLIT

31

07372-21035

BOLT

32

01643-51032

WASHER

33

04434-53412

CLIP

34

01010-81230

BOLT

35

01643-31232

WASHER

Выбрано товаров: 35