Запчасти Komatsu PC290LC-10 H7-8 ГИДРОЛИНИЯ НАВЕСН. ОБОРУД ТРУБЫ, ОСНОВН. ТРУБЫ, ЛЕВ. ГИДРАВЛИКА

Схема запчастей Komatsu PC290LC-10 - H7-8 ГИДРОЛИНИЯ НАВЕСН. ОБОРУД ТРУБЫ, ОСНОВН. ТРУБЫ, ЛЕВ. ГИДРАВЛИКА
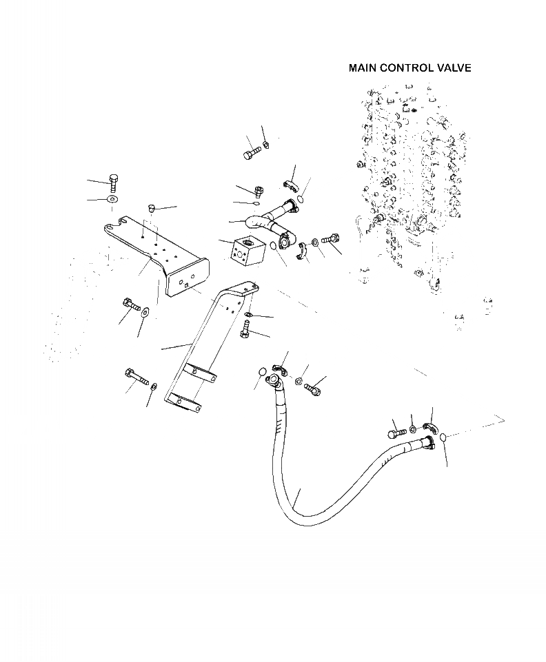
1
19
18
17
16
11
26
12
15
8
9
10
16
3
2
22
24
23
21
20
21
5
6
7
4
13
14
25
27
28
27
28
FIT
1:1
100%

Артикул

Название

Примечание

Количество

1

20Y-62-51580

BLOCK

2

01010-81240

BOLT

3

01643-31232

WASHER

4

206-62-36181

BRACKET

5

07371-31049

FLANGE, SPLIT

6

07372-21035

BOLT

7

01643-51032

WASHER

8

07371-31049

FLANGE, SPLIT

9

07372-21035

BOLT

10

01643-51032

WASHER

11

07040-12412

PLUG

12

07002-12434

O-RING

13

01010-81285

BOLT

14

01643-31232

WASHER

15

07098-01007

HOSE, FLANGE TYPE

16

07000-13032

O-RING

17

07371-31049

FLANGE, SPLIT

18

07372-21035

BOLT

19

01643-51032

WASHER

20

07099-21017

HOSE, FLANGE TYPE

21

07000-13032

O-RING

22

07371-31049

FLANGE, SPLIT

23

07372-21035

BOLT

24

01643-51032

WASHER

25

2A5-62-12752

BRACKET

26

07049-01215

PLUG

27

01010-81235

BOLT

28

175-54-34170

WASHER

Выбрано товаров: 28