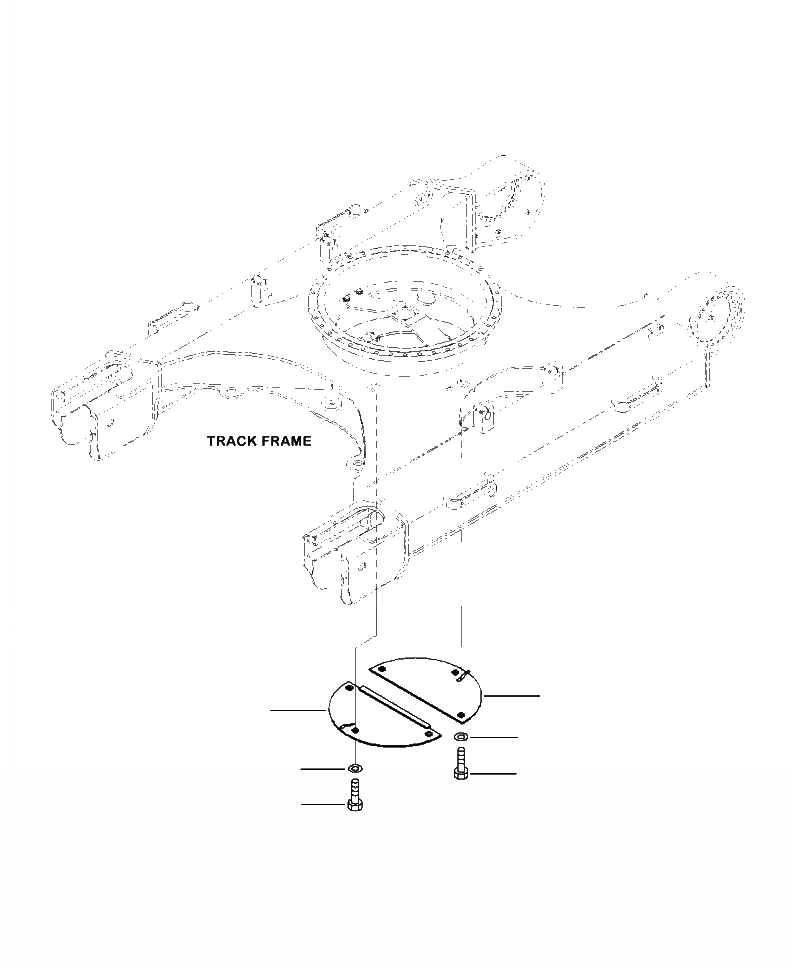
Запчасти Komatsu PC290LC-10 R-A ГУСЕНИЧНАЯ РАМА НИЖН. КРЫШКА НИЖН.CARRIAGE

Схема запчастей Komatsu PC290LC-10 - R-A ГУСЕНИЧНАЯ РАМА НИЖН. КРЫШКА НИЖН.CARRIAGE
1
2
3
4
3
4
FIT
1:1
100%

Артикул

Название

Примечание

Количество

1

20Y-973-2220

COVER

2

20Y-973-2230

COVER

3

01010-81235

BOLT

4

01643-31232

WASHER

Выбрано товаров: 4