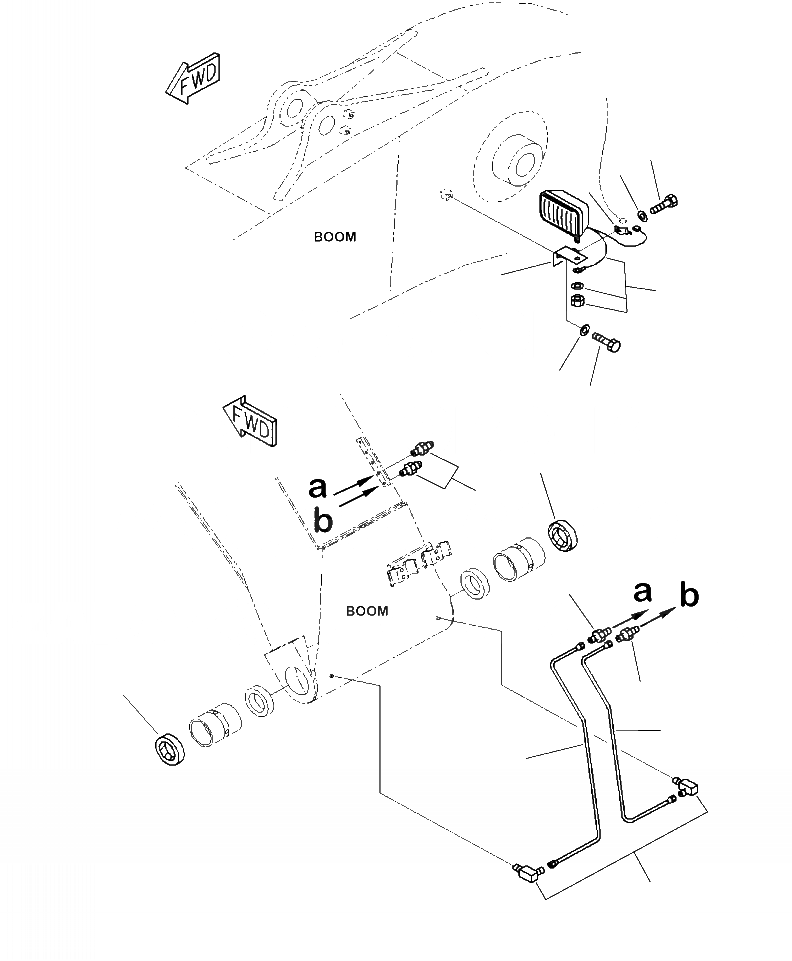
Запчасти Komatsu PC290LC-10 T-7 СТРЕЛА ЛАМПА РАБОЧ. ОСВЕЩЕНИЯ И СМАЗЫВАЮЩ. ЛИНИЯ РАБОЧЕЕ ОБОРУДОВАНИЕ

Схема запчастей Komatsu PC290LC-10 - T-7 СТРЕЛА ЛАМПА РАБОЧ. ОСВЕЩЕНИЯ И СМАЗЫВАЮЩ. ЛИНИЯ РАБОЧЕЕ ОБОРУДОВАНИЕ
1
1
2
3
4
5
6
7
8
9
10
10
11
12
13
FIT
1:1
100%

Артикул

Название

Примечание

Количество

1

07145-00100

SEAL, DUST

2

21T-06-32810

LIGHT ASSEMBLY, WORKING

N/I

421-06-23330

BULB, 70 WATT

3

20Y-06-21551

BRACKET

4

01010-81220

BOLT

5

01643-31232

WAHER

6

08193-21012

CLIP

7

01010-81230

BOLT

8

01643-31232

WASHER

9

07020-00000

FITTING, GREASE

10

20Y-70-11540

CONNECTOR

11

206-70-31160

TUBE

12

206-70-31170

TUBE

13

20Y-25-11270

ELBOW

Выбрано товаров: 14