Запчасти Komatsu PC290LC-10 AWR- УПРАВЛ-Е ДВИГАТЕЛЕМ MODULE ПРОВОДКА ДВИГАТЕЛЬ

Схема запчастей Komatsu PC290LC-10 - AWR- УПРАВЛ-Е ДВИГАТЕЛЕМ MODULE ПРОВОДКА ДВИГАТЕЛЬ
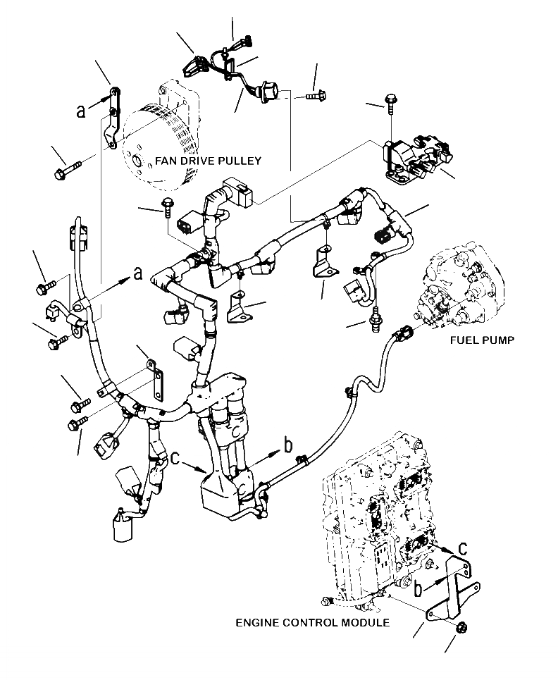
17
18
3
3
2
1
5
16
15
4
10
11
12
13
6
6
7
8
9
8
14
FIT
1:1
100%

Артикул

Название

Примечание

Количество

1

6754-81-9450

WIRING HARNESS

2

6754-81-9220

CLIP

3

6754-81-9230

CLIP

4

6755-81-9310

WIRING HARNESS

5

6732-21-4180

BOLT

6

6754-81-9340

BRACKET

7

6754-81-9280

BRACKET

8

6732-21-3120

BOLT

9

6733-71-5680

BOLT

10

6755-81-9210

BRACE

11

6754-81-9390

BOLT

12

6216-74-6180

BOLT

13

6216-54-7320

BOLT

14

6731-72-5110

BOLT

15

6755-81-9320

CONNECTOR

16

6732-21-3120

BOLT

17

6755-81-9220

BRACE

18

01584-00605

NUT

Выбрано товаров: 18