Запчасти Komatsu PC290LC-10 APP- РАСПРЕДВАЛ ДВИГАТЕЛЬ

Схема запчастей Komatsu PC290LC-10 - APP- РАСПРЕДВАЛ ДВИГАТЕЛЬ
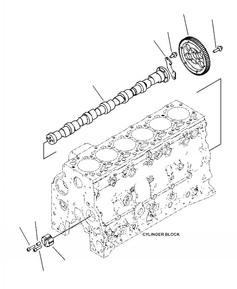
1
2
3
3
4
5
6
7
8
FIT
1:1
100%

Артикул

Название

Примечание

Количество

|$0

6754-41-1100

CAMSHAFT ASSEMBLY

1

6754-41-1110

CAMSHAFT

2

6754-41-1120

DOWEL, RING

3

6754-41-1130

BOLT

4

6754-41-1140

RING, SPEED INDICATOR

5

6754-41-1161

SUPPORT, CAMSHAFT THRUST

6

6736-21-5310

BOLT (M8-1.25x16)

7

6754-41-1150

GEAR, CAMSHAFT

8

01435-00825

BOLT

Выбрано товаров: 9