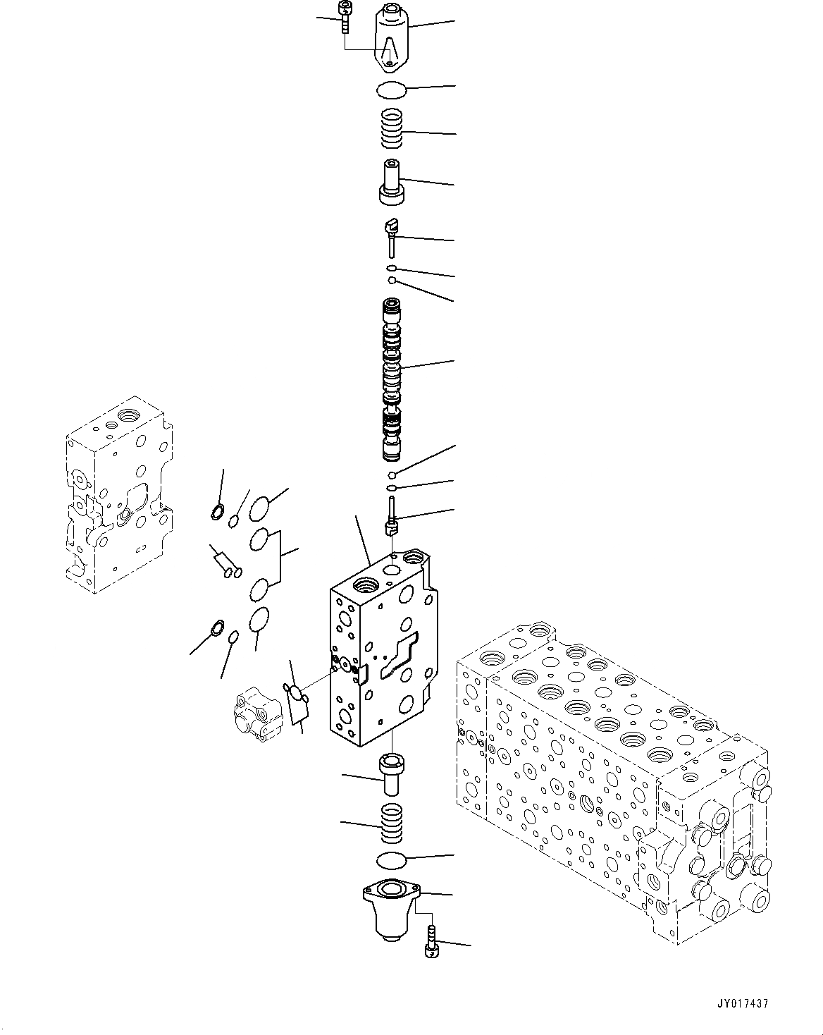
Запчасти Komatsu PC290LC-10 ОСНОВН. УПРАВЛЯЮЩ. КЛАПАН, С -ДОПОЛН. АКТУАТОР ТРУБЫ, АККУМУЛЯТОР, ВНУТР. ЧАСТИ (8/) ОСНОВН. УПРАВЛЯЮЩ. КЛАПАН, С -ДОПОЛН. АКТУАТОР ТРУБЫ, АККУМУЛЯТОР

Схема запчастей Komatsu PC290LC-10 - ОСНОВН. УПРАВЛЯЮЩ. КЛАПАН, С -ДОПОЛН. АКТУАТОР ТРУБЫ, АККУМУЛЯТОР, ВНУТР. ЧАСТИ (8/) ОСНОВН. УПРАВЛЯЮЩ. КЛАПАН, С -ДОПОЛН. АКТУАТОР ТРУБЫ, АККУМУЛЯТОР
11
12
1
5
4
3
10
3
4
5
2
15
14
15
17
13
10
8
9
7
6
6
7
9
8
13
16
16
FIT
1:1
100%

Артикул

Название

Примечание

Количество

|$0

723-48-29600

Valve Assembly, Control

|$1

723-41-17900

Body Subassembly

2

723-46-23690

Spool

3

723-46-15130

Plug

4

07002-10823

O-Ring

5

708-7T-16460

Ball

6

723-46-15120

Retainer

7

723-46-14110

Spring

8

723-46-15111

Case

9

07430-71380

O-Ring

10

01252-60820

Bolt

11

07000-11009

O-Ring

12

07000-12021

O-Ring

13

723-11-19130

O-Ring

14

07000-13032

O-Ring

15

723-46-17510

O-Ring

16

723-46-17520

Ring, Back-Up

17

723-46-17530

O-Ring

Выбрано товаров: 18