Качественные детали и логистика
Оригинальные и аналоговые запчасти с доставкой по России, Казахстану и Беларуси
©2022 PartSell ООО "Система" ИНН 2463123282 ОГРН 1212400004838
Центральный офис: г. Красноярск, Академика Киренского, д.87, пом.4
Телефон: 8 (800) 777-65-74 Email: zakaz@partsell.ru
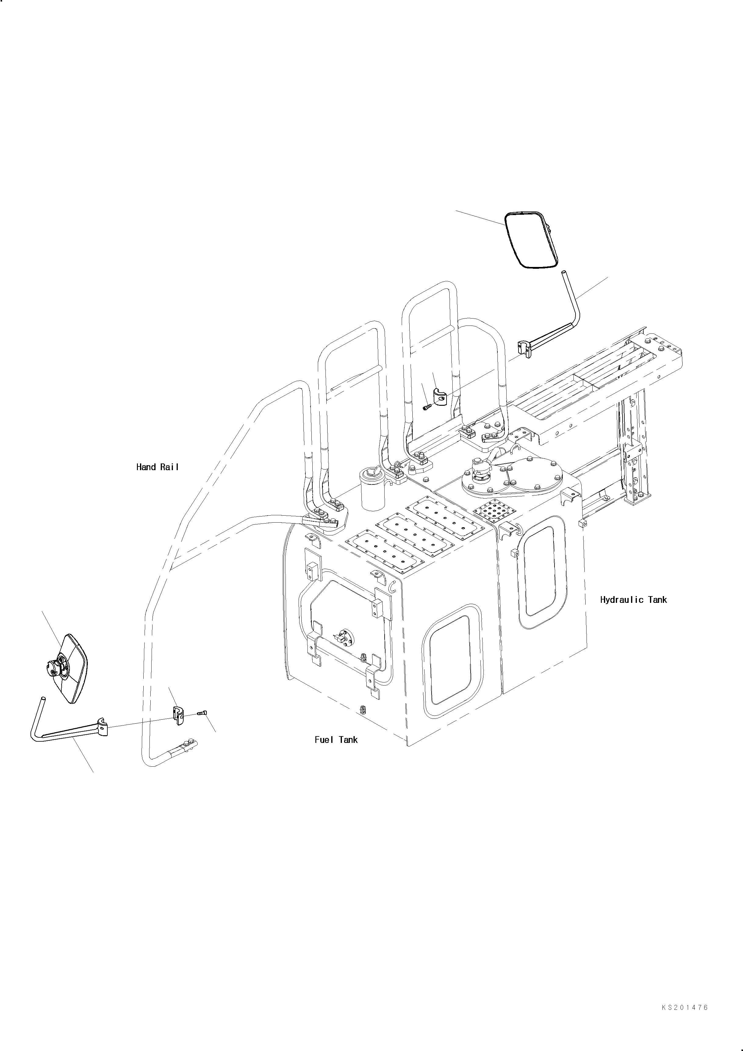
ЗАДН.VIEW MIRROR, RHS, ДЛЯ 2-СЕКЦИОНН. СТРЕЛЫ
№
Артикул
Название
Примечание
Количество
1
2A5-54-13420
Mirror
2
20Y-54-K8030
Bracket
3
20Y-54-61630
Clamp
4
01252-A1030
Bolt
Выбрано товаров: 0