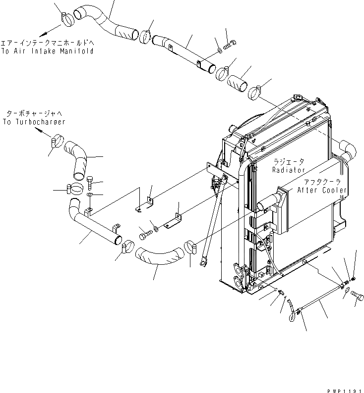
Запчасти Komatsu PC290LC-7K ОХЛАЖД-Е (ТРУБКИ ПОСЛЕОХЛАДИТЕЛЯ)(№K-K9) СИСТЕМА ОХЛАЖДЕНИЯ

Схема запчастей Komatsu PC290LC-7K - ОХЛАЖД-Е (ТРУБКИ ПОСЛЕОХЛАДИТЕЛЯ)(№K-K9) СИСТЕМА ОХЛАЖДЕНИЯ
1
2
3
4
5
6
7
7
8
8
8
9
9
9
10
10
10
10
10
10
10
10
11
12
13
14
15
16
17
17
18
19
FIT
1:1
100%

Артикул

Название

Примечание

Количество

1

6738-11-4840

HOSE

2

6738-11-4880

TUBE

3

6738-11-4810

HOSE

4

6738-11-4720

HOSE

5

6738-11-4890

TUBE

6

6738-11-4870

HOSE

7

20Y-01-31131

BRACKET

8

01010-81230

BOLT

9

01643-31232

WASHER

10

07299-00070

CLAMP

11

11Y-62-12240

ELBOW

12

07002-11423

O-RING

13

02896-11008

O-RING

14

02764-002A7

HOSE

15

07376-70210

PLUG

16

02896-11008

O-RING

17

04434-51310

CLIP

18

01010-81025

BOLT

19

01643-31032

WASHER

Выбрано товаров: 19