Качественные детали и логистика
Оригинальные и аналоговые запчасти с доставкой по России, Казахстану и Беларуси
©2022 PartSell ООО "Система" ИНН 2463123282 ОГРН 1212400004838
Центральный офис: г. Красноярск, Академика Киренского, д.87, пом.4
Телефон: 8 (800) 777-65-74 Email: zakaz@partsell.ru
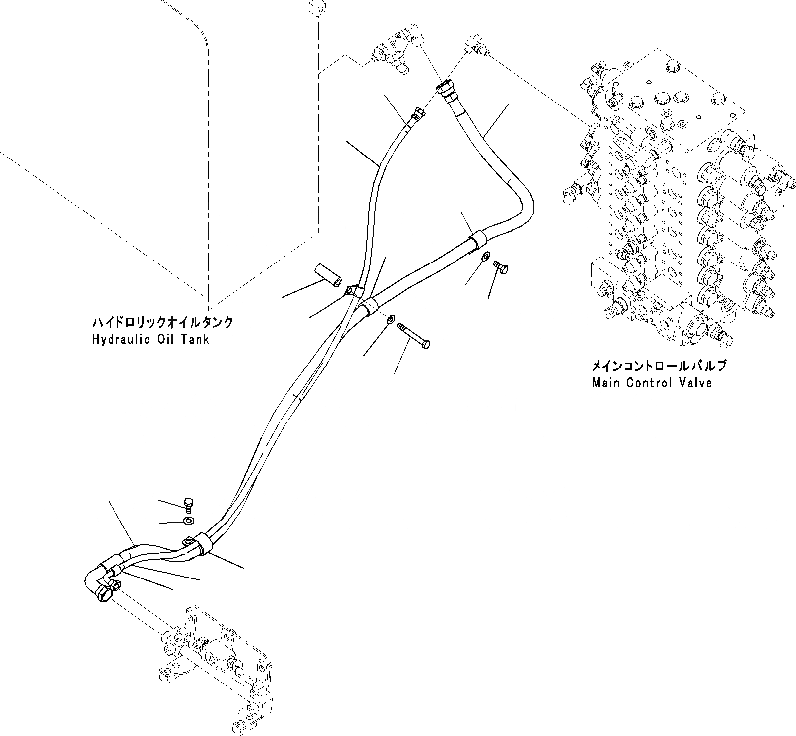
СТРЕЛА HOLDING КЛАПАН КОНТУР (/)
№
Артикул
Название
Примечание
Количество
1
02761-00215
Hose
2
02763-00520
3
20Y-62-22860
Band, Brown
4
281-01-13180
Clip
5
01010-81225
Bolt
6
01643-31232
Washer
7
04434-52512
8
9
10
04434-51212
11
175-61-17240
Collar
12
01010-81285
13
Выбрано товаров: 0