Запчасти Komatsu PC290LC-8K КАБИНА (8/) K OPERATORґS ОБСТАНОВКА И СИСТЕМА УПРАВЛЕНИЯ

Схема запчастей Komatsu PC290LC-8K - КАБИНА (8/) K OPERATORґS ОБСТАНОВКА И СИСТЕМА УПРАВЛЕНИЯ
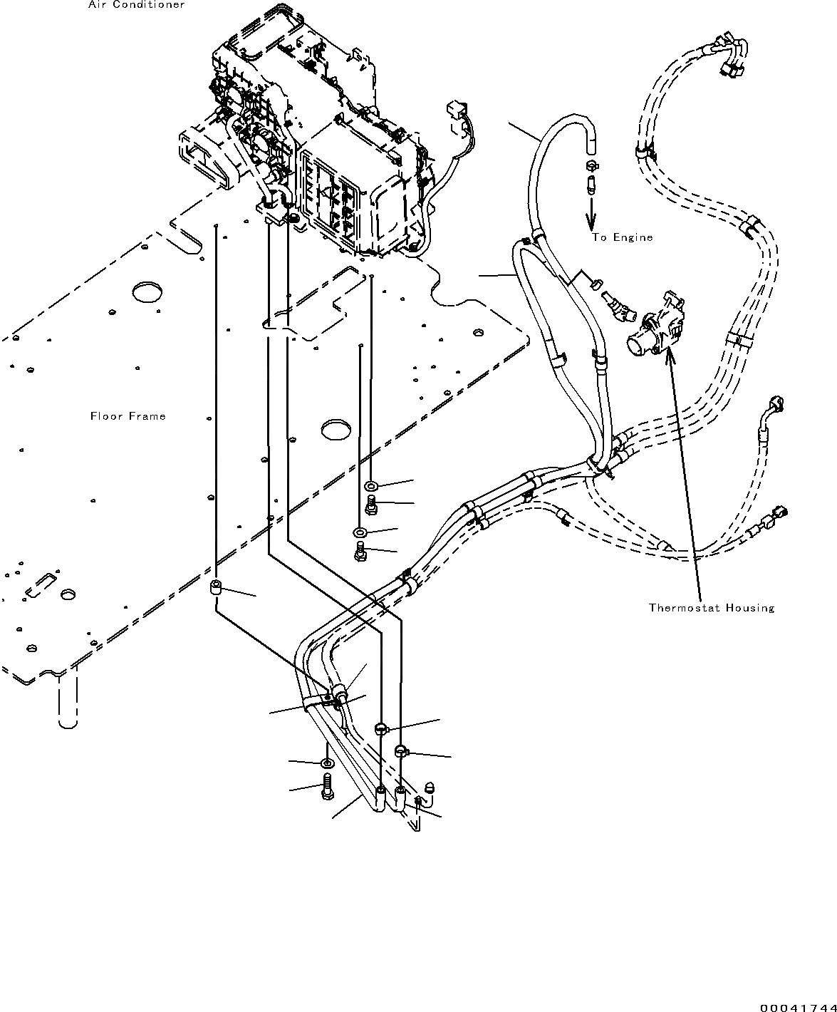
10
13
11
14
4
2
1
3
1
3
6
5
8
7
9
12
FIT
1:1
100%

Артикул

Название

Примечание

Количество

1

20Y-810-1332

Hose Assembly, Red-White

|1

20Y-810-1331

Hose Assembly, Red-White

2

09479-02400

Clip

3

20Y-810-1342

Hose Assembly, White

|3

20Y-810-1341

Hose Assembly, White

4

09479-02400

Clip

5

04434-52110

Clip

6

04434-52511

Clip

7

195-33-11220

Spacer

8

01010-81045

Bolt

9

01643-31032

Washer

10

01010-81016

Bolt

11

01643-31032

Washer

12

141-06-11220

Clip

13

01010-81016

Bolt

14

01643-31032

Washer

Выбрано товаров: 16