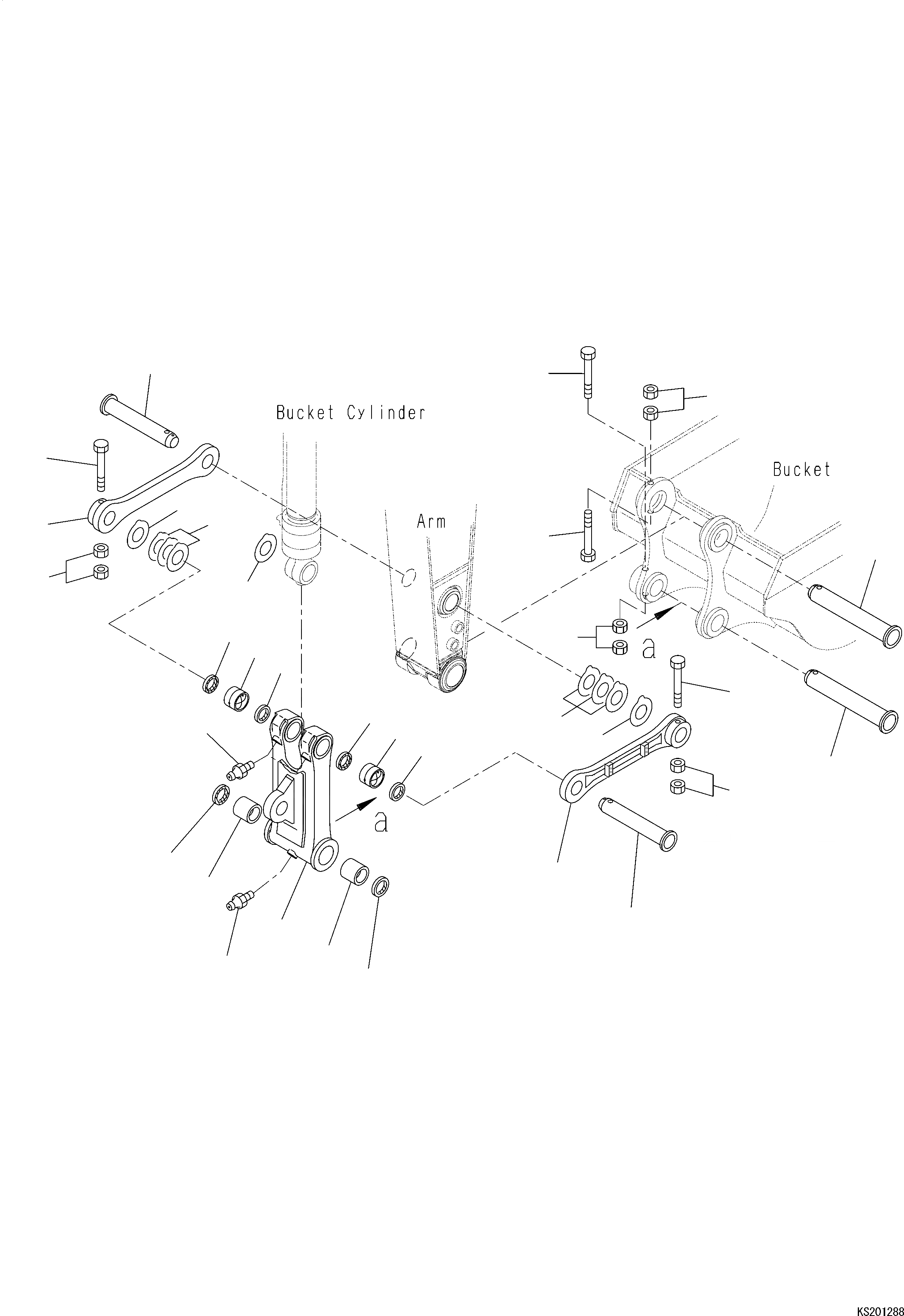
Запчасти Komatsu PC290LC СОЕДИНЕНИЕ КОВША (С ПОДЪЕМ EYE) T РАБОЧЕЕ ОБОРУДОВАНИЕ

Схема запчастей Komatsu PC290LC - СОЕДИНЕНИЕ КОВША (С ПОДЪЕМ EYE) T РАБОЧЕЕ ОБОРУДОВАНИЕ
8
14
7
15
16
17
17
5
3
5
19
23
21
18
10
9
22
20
12
11
6
13
5
3
5
5
2
1
4
2
5
4
FIT
1:1
100%

Артикул

Название

Примечание

Количество

|1

206-70-K4262

LINK ASSEMBLY

1

LINK

2

21K-70-12161

BUSHING

3

206-70-53150

BUSHING

4

07020-00000

FITTING

5

20Y-70-23230

SEAL, DUST

6

206-70-KF530

LINK, LHS

7

206-70-KF520

LINK, RHS

8

206-70-K2140

PIN

9

20Y-70-32450

BOLT

10

01580-12016

NUT

11

20Y-70-31411

SPACER, T=1.0MM

12

20Y-70-31421

SPACER, T=2.0MM

13

206-70-K2140

PIN

14

20Y-70-32450

BOLT

15

01580-12016

NUT

16

206-70-71551

SPACER, T=2.0MM

17

206-70-71541

SPACER, T=1.0MM

18

205-70-73270

PIN

19

205-70-73190

BOLT

20

01580-12016

NUT

21

205-70-73270

PIN

22

20Y-70-32460

BOLT

23

01580-12016

NUT

Выбрано товаров: 24