Запчасти Komatsu PC290NLC-10 КАБИНА И ОСНОВН. КОНСТРУКЦИЯ ГРУППА, ПОЛ, ПРОВОДКА КАБИНА И ОСНОВН. КОНСТРУКЦИЯ ГРУППА

Схема запчастей Komatsu PC290NLC-10 - КАБИНА И ОСНОВН. КОНСТРУКЦИЯ ГРУППА, ПОЛ, ПРОВОДКА КАБИНА И ОСНОВН. КОНСТРУКЦИЯ ГРУППА
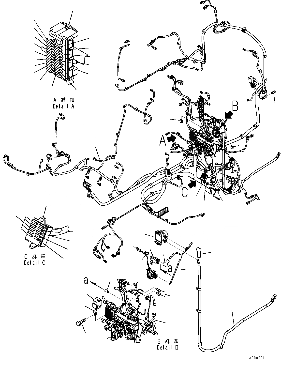
7
8
20
12
18
23
21
13
14
17
16
19
18
15
1
22
1
2
5
3
2
2
3
3
2
4
5
4
1
5
3
3
3
6
5
3
3
3
4
4
1
10
11
11
9
FIT
1:1
100%

Артикул

Название

Примечание

Количество

1

206-06-35121

Wiring Harness

1

206-06-35120

Wiring Harness

2

08041-00500

Fuse, 5Amp.

3

08041-01000

Fuse, 10Amp.

4

08041-02000

Fuse, 20Amp.

5

08041-03000

Fuse, 30Amp.

6

19M-06-31720

Resistor

7

20Y-06-31660

Fusible Link, 30Amp.

8

22U-06-11270

Fusible Link, 65Amp.

9

HM6400-0012

F-Connector, Black

9

HM6409-0071

M-Connector, Black

10

HM6440-0129

F-Connector, Pink

10

HM6440-0128

M-Connector, Pink

11

HM6400-0016

F-Connector, Orange

11

HM6409-0075

M-Connector, Orange

12

2A5-06-11161

Cable

13

22L-06-21250

Cap

14

08088-30000

Switch, Battery Relay

15

08038-00519

Cap

16

08038-04030

Cap, Terminal

17

600-815-2170

Switch, Heater

18

08038-00519

Cap

19

600-815-8951

Relay

20

206-06-K1430

Cable

21

421-06-22880

Holder

22

421-06-22990

Bolt

23

421-06-22820

Fuse, 80Amp.

Выбрано товаров: 27