Запчасти Komatsu PC290NLC-10 ПЕРЕГОРОДКА., (/) ПЕРЕГОРОДКА.

Схема запчастей Komatsu PC290NLC-10 - ПЕРЕГОРОДКА., (/) ПЕРЕГОРОДКА.
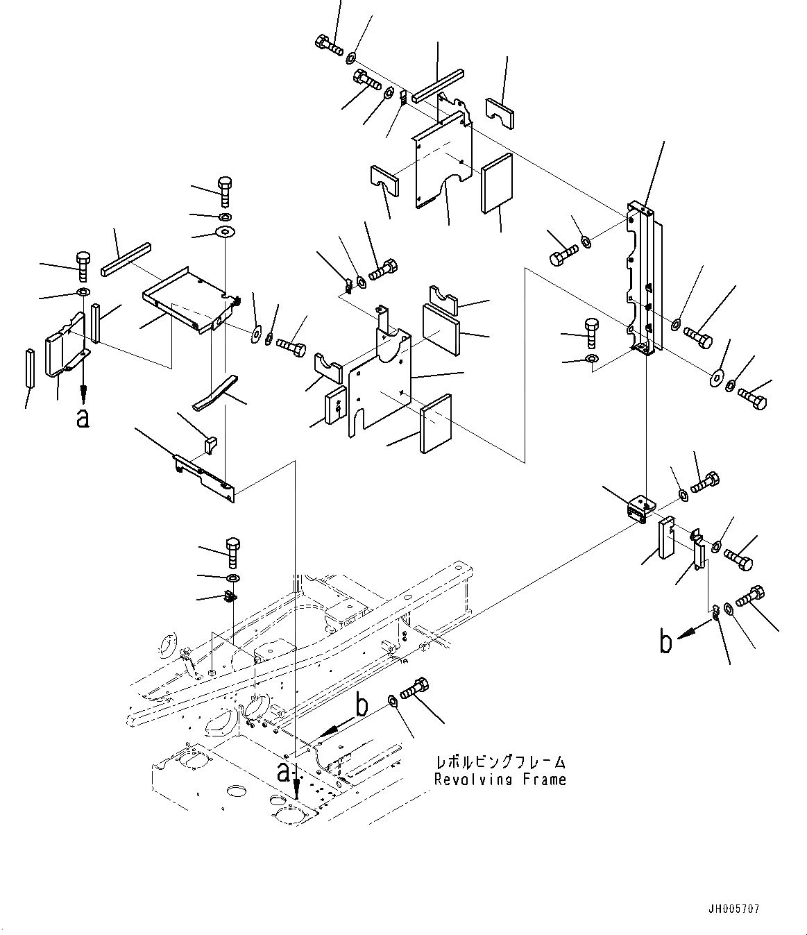
1
2
3
4
5
6
7
8
9
10
11
12
13
14
15
16
17
18
19
20
21
22
23
24
25
26
27
29
30
31
32
33
34
40
41
42
43
44
45
46
47
48
49
6
12
13
14
28
35
36
51
52
50
37
38
39
37
38
26
27
FIT
1:1
100%

Артикул

Название

Примечание

Количество

1

2A5-54-12232

Cover

2

2A5-54-12742

Sheet

3

01010-81230

Bolt

4

01643-31232

Washer

5

2A5-54-12222

Cover

6

2A5-54-12722

Sheet

7

01010-81230

Bolt

8

01643-31232

Washer

9

2A5-54-14870

Cover

10

2A5-54-12680

Sheet

11

2A5-54-13850

Sheet

12

01010-81230

Bolt

13

01643-31232

Washer

14

203-54-62670

Collar

15

2A5-54-13390

Bracket

16

01010-81235

Bolt

17

01643-31232

Washer

18

2A5-54-12121

Cover

19

2A5-54-12541

Sheet

20

01010-81230

Bolt

21

01643-31232

Washer

22

20Y-54-27761

Catcher

23

01010-81225

Bolt

24

01643-31232

Washer

25

2A5-54-12332

Frame

26

01010-81230

Bolt

27

01643-31232

Washer

27

2A5-54-12112

Cover

28

20Y-54-27761

Catcher

30

2A5-54-12512

Sheet

31

2A5-54-12521

Sheet

32

2A5-54-12581

Sheet

33

2A5-54-12591

Sheet

34

2A5-54-12612

Sheet

35

01010-81220

Bolt

36

01643-31232

Washer

37

01010-81230

Bolt

38

01643-31232

Washer

39

205-54-76411

Collar

39

2A5-54-12142

Cover

40

20Y-54-27761

Catcher

42

2A5-54-12512

Sheet

43

2A5-54-12531

Sheet

44

2A5-54-12591

Sheet

45

2A5-54-12612

Sheet

46

01010-81230

Bolt

47

01643-31232

Washer

48

01010-81230

Bolt

49

01643-31232

Washer

50

20Y-54-12320

Catcher

51

01010-81230

Bolt

52

01643-31232

Washer

Выбрано товаров: 0