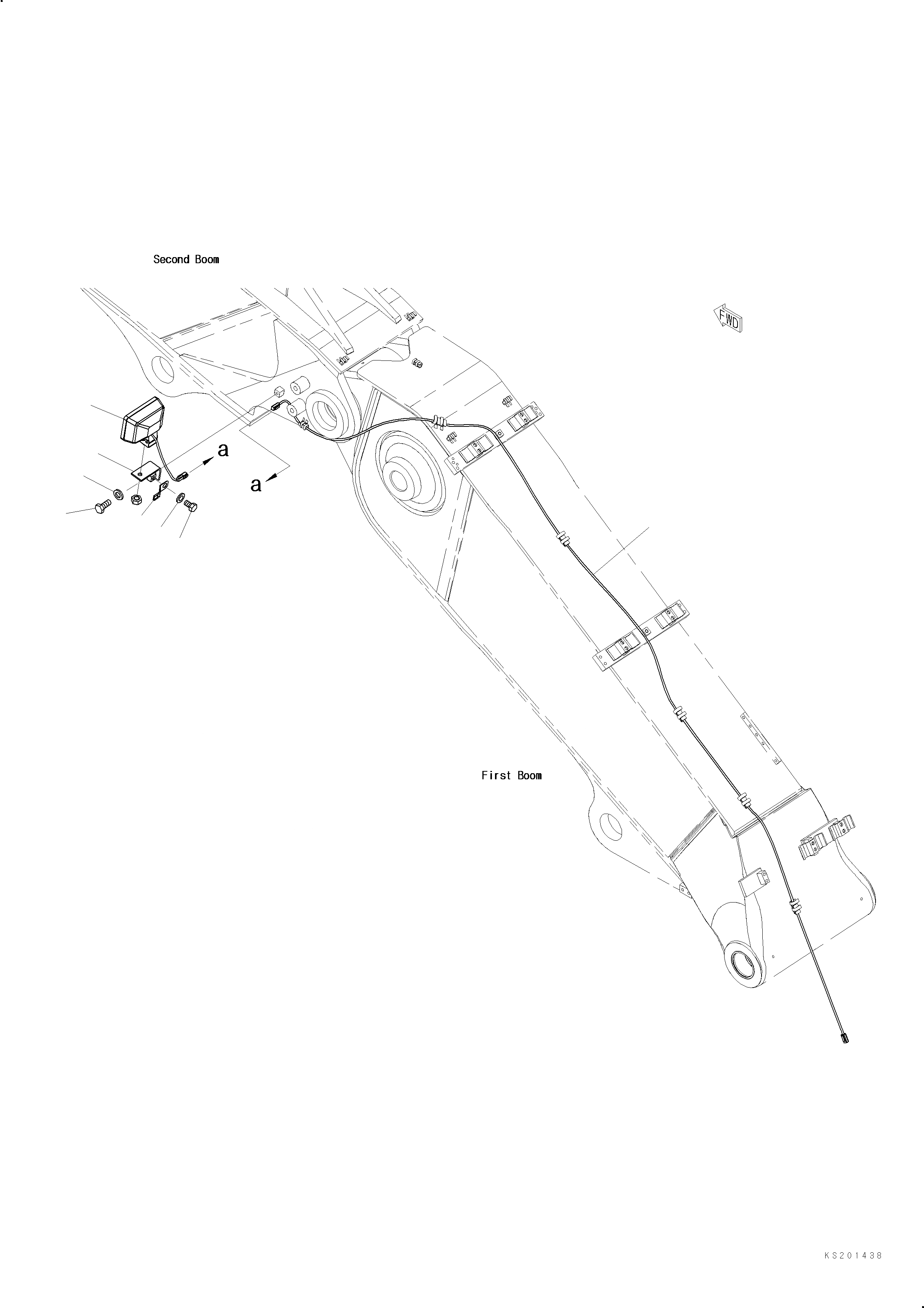
Запчасти Komatsu PC290NLC-10 СТРЕЛА, ПЕРВ. СТРЕЛА, ДЛЯ 2-СЕКЦИОНН. СТРЕЛЫ, ЛАМПА РАБОЧ. ОСВЕЩЕНИЯ И Э/ПРОВОДКА СТРЕЛА, ПЕРВ. СТРЕЛА, ДЛЯ 2-СЕКЦИОНН. СТРЕЛЫ

Схема запчастей Komatsu PC290NLC-10 - СТРЕЛА, ПЕРВ. СТРЕЛА, ДЛЯ 2-СЕКЦИОНН. СТРЕЛЫ, ЛАМПА РАБОЧ. ОСВЕЩЕНИЯ И Э/ПРОВОДКА СТРЕЛА, ПЕРВ. СТРЕЛА, ДЛЯ 2-СЕКЦИОНН. СТРЕЛЫ
7
8
3
2
6
5
4
1
FIT
1:1
100%

Артикул

Название

Примечание

Количество

1

20Y-06-41161

Wire

2

20Y-06-K2760

Work Lamp Assembly

3

20Y-06-21551

Bracket

4

01010-81220

Bolt

5

01643-31232

Washer

6

08193-21012

Clip

7

01010-81230

Bolt

8

01643-31232

Washer

Выбрано товаров: 8