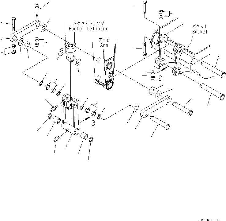
Запчасти Komatsu PC290NLC-7K РУКОЯТЬ (СОЕДИНЕНИЕ КОВША) (ДЛЯ .M РУКОЯТЬ С ATT) РАБОЧЕЕ ОБОРУДОВАНИЕ

Схема запчастей Komatsu PC290NLC-7K - РУКОЯТЬ (СОЕДИНЕНИЕ КОВША) (ДЛЯ .M РУКОЯТЬ С ATT) РАБОЧЕЕ ОБОРУДОВАНИЕ
1
2
2
3
3
4
4
5
5
5
5
5
5
6
7
8
9
10
11
11
12
13
14
15
16
16
16
16
17
18
19
20
21
22
23
FIT
1:1
100%

Артикул

Название

Примечание

Количество

1

20Y-973-3111

LINK

2

20Y-70-32351

BUSHING

3

206-70-71381

BUSHING

4

07020-00000

FITTING

5

20Y-70-23230

SEAL

6

206-70-63150

LINK

7

206-70-63160

LINK

8

20Y-973-1270

PIN

9

205-70-73190

BOLT

10

01580-12016

NUT

11

20Y-70-31430

SPACER¤ 1.0MM

12

206-70-71450

SPACER¤ 2.0MM

13

20Y-973-1270

PIN

14

205-70-73190

BOLT

15

01580-12016

NUT

16

206-70-71540

SPACER¤ 1.0MM

17

206-70-71550

SPACER¤ 2.0MM

18

205-70-73270

PIN

19

205-70-73190

BOLT

20

01580-12016

NUT

21

205-70-73270

PIN

22

362-46-11210

BOLT

23

01580-12016

NUT

Выбрано товаров: 0