Качественные детали и логистика
Оригинальные и аналоговые запчасти с доставкой по России, Казахстану и Беларуси
©2022 PartSell ООО "Система" ИНН 2463123282 ОГРН 1212400004838
Центральный офис: г. Красноярск, Академика Киренского, д.87, пом.4
Телефон: 8 (800) 777-65-74 Email: zakaz@partsell.ru
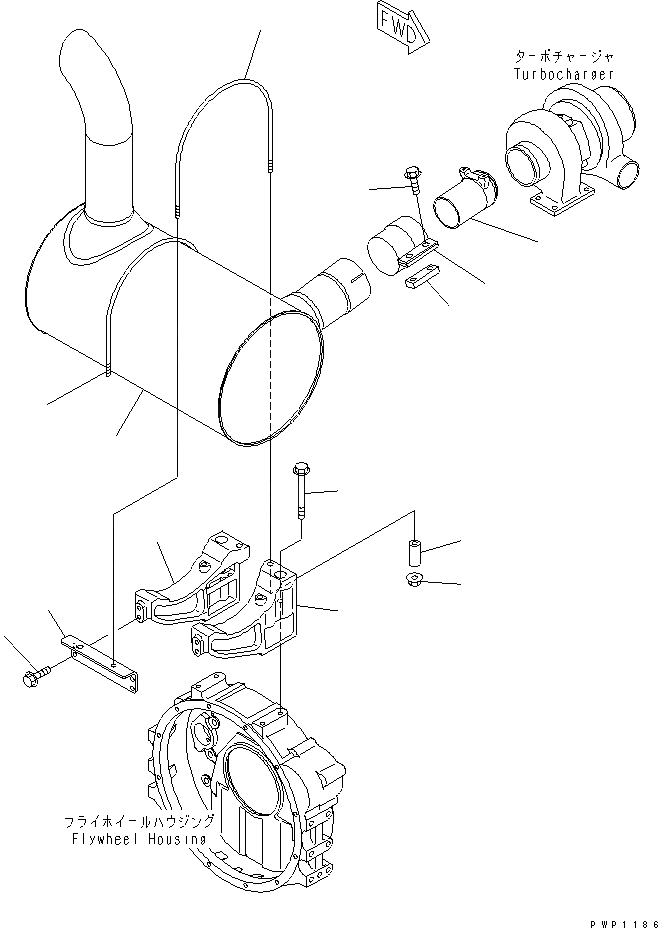
ГЛУШИТЕЛЬ И КРЕПЛЕНИЕ
№
Артикул
Название
Примечание
Количество
1
6738-11-5530
MUFFLER
2
6738-11-5940
U-BOLT
3
6134-11-5120
SPACER
4
01594-01008
NUT
5
6210-11-5232
CLAMP
6
6206-11-5850
PLATE
7
01435-01235
BOLT
8
6738-11-5310
BRACKET
9
6738-11-5320
10
01435-01095
11
6738-11-5330
12
01435-01020
13
6735-11-5611
TUBE
Выбрано товаров: 0