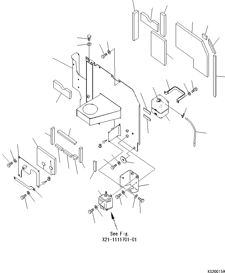
Запчасти Komatsu PC290NLC-8K КАБИНА ПЕРЕГОРОДКА. (/) (РАЗРУШ. ЗДАНИЙ ОСНОВ.) M ЧАСТИ КОРПУСАS И КРЫШКИ

Схема запчастей Komatsu PC290NLC-8K - КАБИНА ПЕРЕГОРОДКА. (/) (РАЗРУШ. ЗДАНИЙ ОСНОВ.) M ЧАСТИ КОРПУСАS И КРЫШКИ
6
2
5
15
40
39
39
40
1
3
10
7
33
34
4
36
35
38
32
37
11
12
14
7
41
43
42
9
17
16
22
21
30
29
31
31
30
28
27
26
13
8
20
19
18
23
24
25
FIT
1:1
100%

Артикул

Название

Примечание

Количество

|1

20Y-54-72312

Cover

|1

20Y-54-72311

Cover

1

Cover

|1

Cover

2

20Y-54-71970

Sheet

3

20Y-54-71980

Sheet

4

20Y-54-72260

Sheet

5

20Y-54-72270

Sheet

6

20Y-54-72280

Sheet

7

205-03-71440

Sheet

8

20Y-54-71590

Sheet

9

20Y-54-71680

Sheet

10

20Y-54-71790

Sheet

11

20Y-54-72510

Sheet

12

20Y-54-72520

Sheet

13

20Y-54-72540

Sheet

14

20Y-54-72550

Sheet

15

20Y-54-72830

Sheet

|16

20Y-54-71612

Cover

|16

20Y-54-71611

Cover

16

Plate

|16

Plate

17

20Y-54-71632

Sheet

|17

20Y-54-71631

Sheet

18

20Y-54-71641

Sheet

19

20Y-54-71651

Sheet

20

20Y-54-71661

Sheet

21

01010-81225

Bolt

22

01643-31232

Washer

23

20Y-54-71670

Plate

24

01010-81225

Bolt

25

01643-31232

Washer

26

14X-911-1160

Tank Assembly

27

01010-80616

Bolt

28

01643-30623

Washer

29

20Y-06-41740

Bracket

30

01010-80616

Bolt

31

01643-30623

Washer

32

20Y-06-15240

Tank Assembly

33

205-03-71532

Cap

|33

205-03-71540

Packing

34

203-03-56650

Bracket

35

01010-80820

Bolt

36

01643-30823

Washer

37

20Y-03-41880

Hose

38

206-03-43340

Clip

39

01010-81230

Bolt

40

01643-31232

Washer

41

205-54-76411

Collar

42

01010-81230

Bolt

43

01643-31232

Washer

Выбрано товаров: 51