Запчасти Komatsu PC290NLC-8K РУКОЯТЬ (/) (.M) T РАБОЧЕЕ ОБОРУДОВАНИЕ

Схема запчастей Komatsu PC290NLC-8K - РУКОЯТЬ (/) (.M) T РАБОЧЕЕ ОБОРУДОВАНИЕ
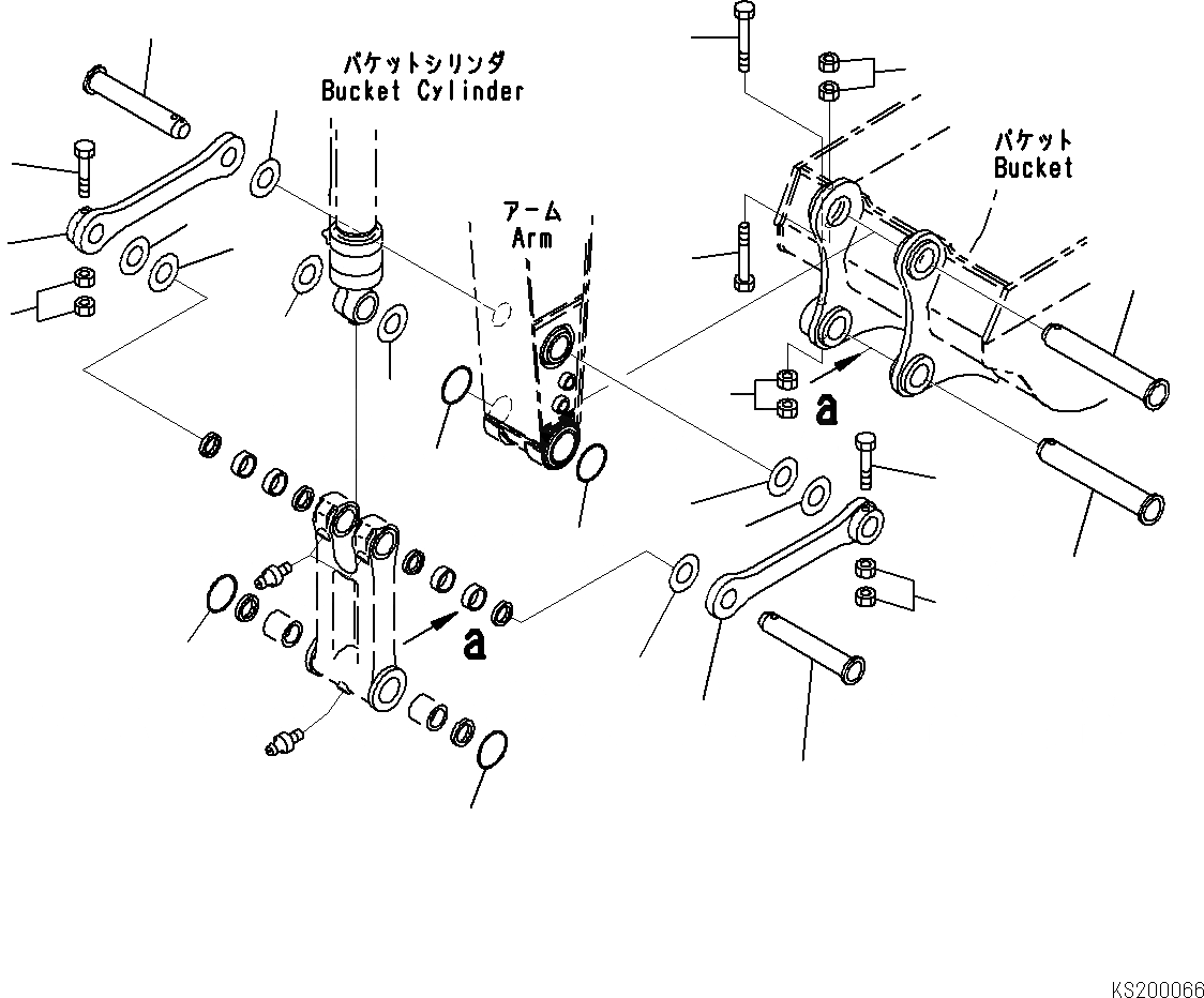
2
13
17
6
8
11
10
1
16
15
9
11
14
11
18
3
5
6
18
12
4
18
11
1
7
18
FIT
1:1
100%

Артикул

Название

Примечание

Количество

1

206-70-K2130

Link

2

206-70-K2140

Pin

3

20Y-70-32450

Bolt

4

01580-12016

Nut

5

20Y-70-31411

Spacer, T=1mm

|5

20Y-70-31410

Spacer, T=1mm

6

20Y-70-31421

Spacer, T=2mm

|6

20Y-70-31420

Spacer, T=2mm

7

206-70-K2140

Pin

8

20Y-70-32450

Bolt

9

01580-12016

Nut

10

206-70-71541

Spacer, T=1mm

|10

206-70-71540

Spacer, T=1mm

11

206-70-71551

Spacer, T=2mm

|11

206-70-71550

Spacer, T=2mm

12

205-70-73270

Pin

13

205-70-73190

Bolt

14

01580-12016

Nut

15

205-70-73270

Pin

16

20Y-70-32460

Bolt

17

01580-12016

Nut

18

205-70-73280

O-Ring

Выбрано товаров: 22