Запчасти Komatsu PC30-1 ГИДР. БАК. AND ФИЛЬТР. ГИДРАВЛИКА

Схема запчастей Komatsu PC30-1 - ГИДР. БАК. AND ФИЛЬТР. ГИДРАВЛИКА
FIT
1:1
100%

Артикул

Название

Примечание

Количество

|$0

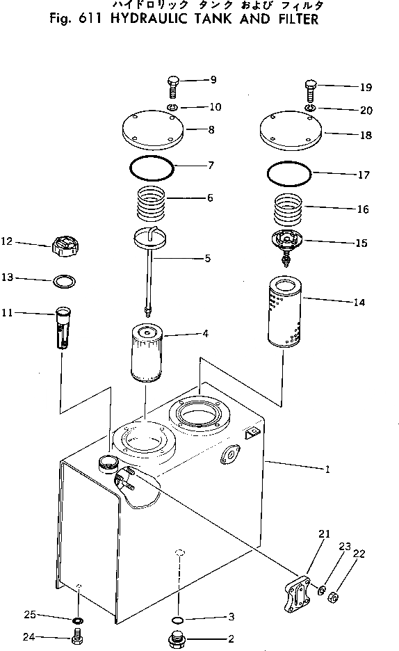
20S-60-00010

TANK ASS'Y

1

20S-60-11110

TANK

2

07044-12412

PLUG

3

07002-02434

O-RING

4

201-60-22150

STRAINER

5

20S-60-11120

ROD

6

125-62-21170

SPRING

7

07000-02140

O-RING

8

201-60-22130

COVER

9

01010-31230

BOLT

10

01602-01236

WASHER,SPRING

11

07056-10045

STRAINER

12

07051-20000

CAP

12

07092-00000

CAP,(FOR VANDALISM PROTECTION)

13

07051-00003

GASKET

14

154-60-12170

ELEMENT

15

125-62-21150

VALVE ASS'Y

16

125-62-21170

SPRING

17

07000-02140

O-RING

18

201-60-22130

COVER

19

01010-31230

BOLT

20

01602-01236

WASHER,SPRING

21

155-60-12300

LEVEL GAUGE ASS'Y,OIL

22

01580-11008

NUT

23

01602-01030

WASHER,SPRING

24

01010-31225

BOLT

25

01605-11226

WASHER

Выбрано товаров: 27